Deutsch English

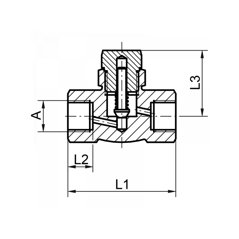
Fig. 409: Hochdruck-Rückschlagventil, beiderseits Innengewinde, Material: 1.0460, 1.4571, 1.4104

Hochdruck-Rückschlagventil, beiderseits Innengewinde, Material: 1.0460, 1.4571, 1.4104
Hochdruck-Rückschlagventil, beiderseits Innengewinde, Material: 1.0460, 1.4571, 1.4104
A DN PN / Bar L1 / mm L2 / mm L3 / mm Material Art.Nr. PDF
G1/4 5 640 -20°C / +200°C 80 15 62 1.0460 10409025  
G3/8 6 640 -20°C / +200°C 80 15 62 1.0460 10409035  
G1/2 8 640 -20°C / +200°C 80 17 62 1.0460 10409045  
G3/4 10 320 -20°C / +200°C 100 19 69 1.0460 10409065  
G1 15 320 -20°C / +200°C 130 21 87 1.0460 10409085  
G1 1/4 20 160 -20°C / +200°C 130 22 87 1.0460 10409105  
G1 1/2 24 160 -20°C / +200°C 160 24 120 1.0460 10409125  
G1/4 5 640 -20°C / +200°C 80 15 62 1.4104 10409024  
G3/8 6 640 -20°C / +200°C 80 15 62 1.4104 10409034  
G1/2 8 640 -20°C / +200°C 80 17 62 1.4104 10409044  
G3/4 10 320 -20°C / +200°C 100 19 69 1.4104 10409064  
G1 15 320 -20°C / +200°C 130 21 87 1.4104 10409084  
G1 1/4 20 160 -20°C / +200°C 130 22 87 1.4104 10409104  
G1/4 5 640 -20°C / +200°C 80 15 62 1.4571 10409023  
G3/8 6 640 -20°C / +200°C 80 15 62 1.4571 10409033  
G1/2 8 640 -20°C / +200°C 80 17 62 1.4571 10409043  
G3/4 10 320 -20°C / +200°C 100 19 69 1.4571 10409063  
G1 15 320 -20°C / +200°C 130 21 87 1.4571 10409083  
G1 1/4 20 160 -20°C / +200°C 130 22 87 1.4571 10409103  
G1 1/2 24 160 -20°C / +200°C 160 24 120 1.4571 10409123  

Verwandte Artikel

Nehmen Sie Kontakt auf

Ja, ich habe die Datenschutzerklärung zur Kenntnis genommen und bin damit einverstanden, dass die von mir angegebenen Daten elektronisch erhoben und gespeichert werden. Meine Daten werden dabei nur streng zweckgebunden zur Bearbeitung und Beantwortung meiner Anfrage genutzt.

Quality Made in Germany
ARMATUREN-ARNDT GMBH | © 2026 | Datenschutzerklärung | AGB | Impressum