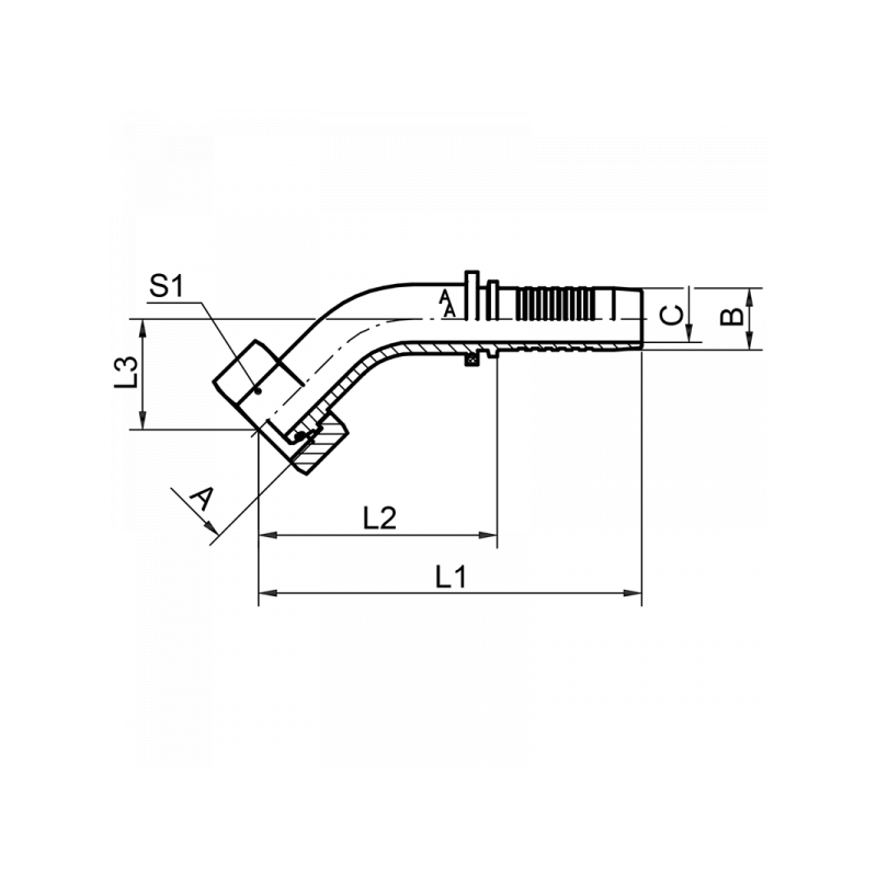
DKOL-45°: Pressnippel DKOL 45°, Dichtkegel mit 24° Konus und O-Ring, leichte Reihe, Dichtkopf metrisch
| A | B / mm | DN | L1 / mm | L2 / mm | L3 / mm | S1 | C / mm | Material | Art.Nr. | |
|---|---|---|---|---|---|---|---|---|---|---|
| M14x1,5 | 6,7 | 6 | 66 | 36 | 20 | 17 | 3,9 | 1.4571 | 4101DN06 | |
| M12x1,5 | 6,7 | 6 | 67 | 37 | 18 | 14 | 3,9 | 1.4571 | 4101DN06M12 | |
| M16x1,5 | 6,7 | 6 | 70 | 40 | 20 | 19 | 3,9 | 1.4571 | 4101DN06M16 | |
| M16x1,5 | 8 | 8 | 70 | 40 | 19 | 19 | 5,4 | 1.4571 | 4101DN08 | |
| M18x1,5 | 8 | 8 | 71 | 41 | 20 | 22 | 5,4 | 1.4571 | 4101DN08M18 | |
| M18x1,5 | 9,6 | 10 | 76 | 42,7 | 20 | 22 | 6,5 | 1.4571 | 4101DN10 | |
| M22x1,5 | 9,6 | 10 | 76 | 42,7 | 20 | 27 | 6,5 | 1.4571 | 4101DN10M22 | |
| M22x1,5 | 12,8 | 12 | 82 | 46,7 | 23 | 27 | 9,5 | 1.4571 | 4101DN12 | |
| M26x1,5 | 16 | 16 | 91 | 52,7 | 27 | 32 | 12,6 | 1.4571 | 4101DN16 | |
| M30x2 | 19,1 | 20 | 115 | 69,2 | 29 | 36 | 14,8 | 1.4571 | 4101DN20 | |
| M36x2 | 25,9 | 25 | 135 | 80 | 35 | 41 | 20,0 | 1.4571 | 4101DN25 | |
| M45x2 | 32,5 | 32 | 162 | 102,2 | 40 | 50 | 26,0 | 1.4571 | 4101DN32 | |
| M52x2 | 38,9 | 40 | 182 | 114,5 | 45 | 60 | 31,0 | 1.4571 | 4101DN40 |


