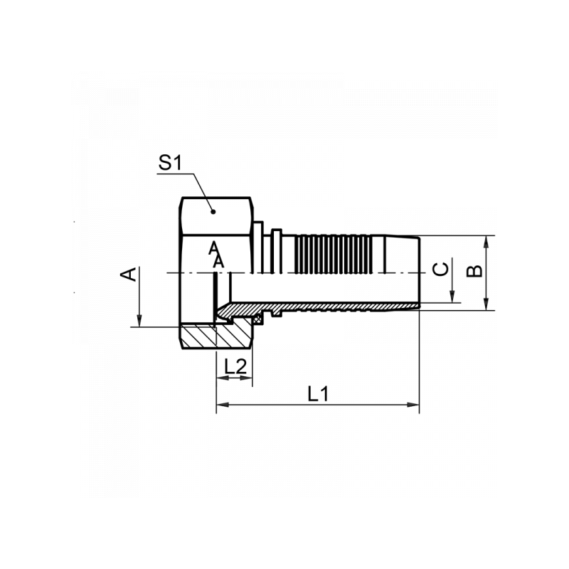
DKM: Pressnippel DKM, Dichtkegel mit 24° + 60° Konus, sehr leichte Reihe, Dichtkopf metrisch
| A | B / mm | DN | L1 / mm | L2 / mm | S1 | C / mm | Material | Art.Nr. | |
|---|---|---|---|---|---|---|---|---|---|
| M30x1,5 | 19,1 | 20 | 72 | 26,2 | 36 | 14,8 | 1.4571 | 4160DN20 | |
| M38x1,5 | 19,1 | 20 | 72 | 26,2 | 46 | 14,8 | 1.4571 | 4160DN20M38 | |
| M38x1,5 | 25,9 | 25 | 82 | 27 | 46 | 20,0 | 1.4571 | 4160DN25 | |
| M45x1,5 | 32,5 | 32 | 88 | 28,2 | 50 | 26,0 | 1.4571 | 4160DN32 | |
| M52x1,5 | 38,9 | 40 | 96 | 28,5 | 60 | 31,0 | 1.4571 | 4160DN40 | |
| M65x2 | 51,6 | 50 | 107,5 | 32,5 | 70 | 40,0 | 1.4571 | 4160DN50M65 |


