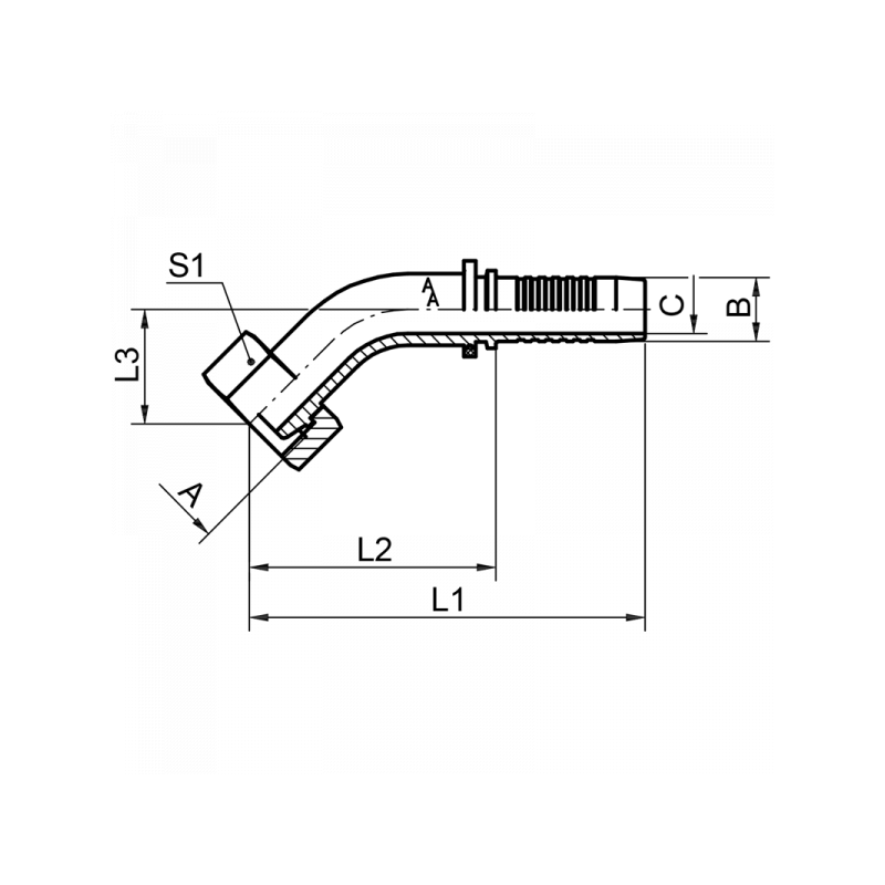
DKL-45°: Pressnippel DKL 45°, Dichtkegel mit 24° Konus, leichte Reihe, Dichtkopf metrisch
| A | B / mm | DN | L1 / mm | L2 / mm | L3 / mm | S1 | C / mm | Material | Art.Nr. | |
|---|---|---|---|---|---|---|---|---|---|---|
| M16x1,5 | 8 | 8 | 68 | 38 | 15,0 | 19 | 5,4 | 1.4571 | 4151DN08 | |
| M18x1,5 | 9,6 | 10 | 72 | 38,7 | 17,0 | 22 | 6,5 | 1.4571 | 4151DN10 | |
| M22x1,5 | 12,8 | 12 | 80 | 44,7 | 25 | 27 | 9,5 | 1.4571 | 4151DN12 | |
| M26x1,5 | 16 | 16 | 109,5 | 71 | 27,5 | 32 | 12,6 | 1.4571 | 4151DN16 | |
| M30x2 | 19,1 | 20 | 112 | 66,2 | 30 | 36 | 14,8 | 1.4571 | 4151DN20 |


