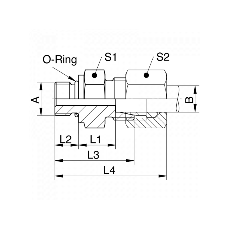
GE-SR-UNF: Gerade Einschraubverschraubung, Einschraubgewinde UNF mit Viton O-Ring, schwere Reihe
| A | B | PN / Bar | L1 / mm | L2 / mm | L3 / mm | L4 / mm | S1 | S2 | Material | Art.Nr. | Stutzen | |
|---|---|---|---|---|---|---|---|---|---|---|---|---|
| 7/16-20UNF | 06 | 630 | 13 | 11 | 31 | 41 | 17 | 17 | 1.4571 | GE06SU7/16 | XGE06SU7/16 | |
| 1/2-20UNF | 08 | 630 | 13 | 11 | 31 | 41 | 19 | 19 | 1.4571 | GE08SU1/2 | XGE08SU1/2 | |
| 7/16-20UNF | 08 | 630 | 13 | 11 | 31 | 41 | 17 | 19 | 1.4571 | GE08SU7/16 | XGE08SU7/16 | |
| 1/2-20UNF | 10 | 630 | 12,5 | 11 | 31 | 43 | 19 | 22 | 1.4571 | GE10SU1/2 | XGE10SU1/2 | |
| 7/16-20UNF | 10 | 630 | 12,5 | 11 | 31 | 43 | 19 | 22 | 1.4571 | GE10SU7/16 | XGE10SU7/16 | |
| 9/16-18UNF | 10 | 630 | 12,5 | 12 | 32 | 44 | 19 | 22 | 1.4571 | GE10SU9/16 | XGE10SU9/16 | |
| 1/2-20UNF | 12 | 630 | 12,5 | 11 | 31 | 43 | 22 | 24 | 1.4571 | GE12SU1/2 | XGE12SU1/2 | |
| 3/4-16UNF | 12 | 630 | 14,5 | 14 | 36 | 48 | 24 | 24 | 1.4571 | GE12SU3/4 | XGE12SU3/4 | |
| 7/8-14UNF | 12 | 630 | 14,5 | 16 | 38 | 50 | 27 | 24 | 1.4571 | GE12SU7/8 | XGE12SU7/8 | |
| 3/4-16UNF | 14 | 630 | 12 | 14 | 34 | 46 | 24 | 27 | 1.4571 | GE14SU3/4 | XGE14SU3/4 | |
| 9/16-18UNF | 14 | 630 | 14 | 12 | 34 | 46 | 24 | 27 | 1.4571 | GE14SU9/16 | XGE14SU9/16 | |
| 1 1/16-12UN | 16 | 400 | 12 | 18,5 | 39 | 52 | 32 | 30 | 1.4571 | GE16SU11/16 | XGE16SU11/16 | |
| 3/4-16UNF | 16 | 400 | 12,5 | 14 | 35 | 48 | 27 | 30 | 1.4571 | GE16SU3/4 | XGE16SU3/4 | |
| 7/8-14UNF | 16 | 400 | 15,5 | 16 | 40 | 53 | 27 | 30 | 1.4571 | GE16SU7/8 | XGE16SU7/8 | |
| 1 1/16-12UN | 20 | 400 | 18,5 | 18,5 | 46 | 61 | 32 | 36 | 1.4571 | GE20SU11/16 | XGE20SU11/16 | |
| 1 5/16-12UN | 20 | 400 | 18,5 | 18,5 | 46 | 61 | 41 | 36 | 1.4571 | GE20SU15/16 | XGE20SU15/16 | |
| 3/4-16UNF | 20 | 400 | 17,5 | 14 | 42 | 57 | 32 | 36 | 1.4571 | GE20SU3/4 | XGE20SU3/4 | |
| 7/8-14UNF | 20 | 400 | 17,5 | 16 | 44 | 59 | 32 | 36 | 1.4571 | GE20SU7/8 | XGE20SU7/8 | |
| 1 1/16-12UN | 25 | 400 | 19,5 | 18,5 | 50 | 66 | 36 | 46 | 1.4571 | GE25SU11/16 | XGE25SU11/16 | |
| 1 5/16-12UN | 25 | 400 | 19,5 | 18,5 | 50 | 66 | 41 | 46 | 1.4571 | GE25SU15/16 | XGE25SU15/16 | |
| 1 5/16-12UN | 30 | 400 | 20 | 18,5 | 52 | 68 | 46 | 50 | 1.4571 | GE30SU15/16 | XGE30SU15/16 | |
| 1 5/16-12UN | 38 | 250 | 22,5 | 18,5 | 57 | 76 | 55 | 60 | 1.4571 | GE38SU15/16 | XGE38SU15/16 |


