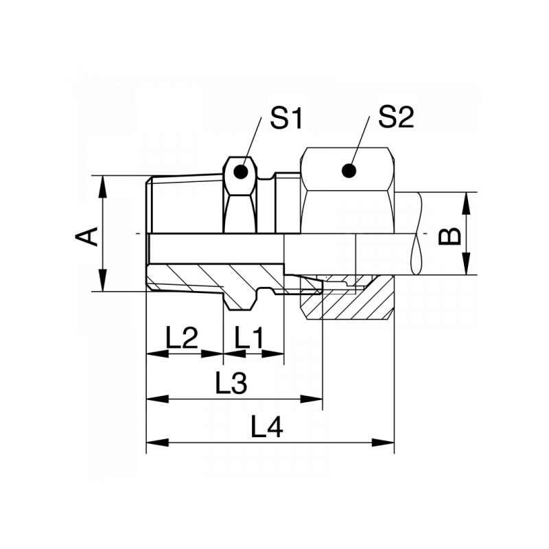
GE-LR-KEG: Gerade Einschraubverschraubung, Einschraubgewinde BSPT, leichte Reihe
| A | B | PN / Bar | L1 / mm | L2 / mm | L3 / mm | L4 / mm | S1 | S2 | Material | Art.Nr. | Stutzen | |
|---|---|---|---|---|---|---|---|---|---|---|---|---|
| R1/8keg | 06 | 315 | 7 | 8 | 22 | 32 | 12 | 14 | 1.4571 | GE06LK01 | XGE06LK01 | |
| R1/4keg | 06 | 315 | 8 | 12 | 27 | 37 | 17 | 14 | 1.4571 | GE06LK02 | XGE06LK02 | |
| R3/8keg | 06 | 315 | 8 | 12 | 30 | 40 | 19 | 14 | 1.4571 | GE06LK03 | XGE06LK03 | |
| R1/2keg | 06 | 315 | 9 | 14 | 30 | 40 | 22 | 14 | 1.4571 | GE06LK04 | XGE06LK04 | |
| R1/8keg | 08 | 315 | 8 | 8 | 23 | 33 | 17 | 17 | 1.4571 | GE08LK01 | XGE08LK01 | |
| R1/4keg | 08 | 315 | 8 | 12 | 27 | 37 | 17 | 17 | 1.4571 | GE08LK02 | XGE08LK02 | |
| R3/8keg | 08 | 315 | 9 | 12 | 28 | 38 | 19 | 17 | 1.4571 | GE08LK03 | XGE08LK03 | |
| R1/2keg | 08 | 315 | 9 | 14 | 30 | 40 | 22 | 17 | 1.4571 | GE08LK04 | XGE08LK04 | |
| R1/8keg | 10 | 315 | 9 | 8 | 24 | 35 | 17 | 19 | 1.4571 | GE10LK01 | XGE10LK01 | |
| R1/4keg | 10 | 315 | 9 | 12 | 28 | 39 | 17 | 19 | 1.4571 | GE10LK02 | XGE10LK02 | |
| R3/8keg | 10 | 315 | 9 | 12 | 28 | 39 | 17 | 19 | 1.4571 | GE10LK03 | XGE10LK03 | |
| R1/2keg | 10 | 315 | 10 | 14 | 31 | 42 | 22 | 19 | 1.4571 | GE10LK04 | XGE10LK04 | |
| R1/4keg | 12 | 315 | 10 | 12 | 29 | 40 | 19 | 22 | 1.4571 | GE12LK02 | XGE12LK02 | |
| R3/8keg | 12 | 315 | 10 | 12 | 29 | 40 | 19 | 22 | 1.4571 | GE12LK03 | XGE12LK03 | |
| R1/2keg | 12 | 315 | 10 | 14 | 31 | 42 | 24 | 22 | 1.4571 | GE12LK04 | XGE12LK04 | |
| R3/4keg | 12 | 315 | 11 | 16 | 34 | 45 | 30 | 22 | 1.4571 | GE12LK06 | XGE12LK06 | |
| R1/4keg | 15 | 315 | 11 | 12 | 30 | 41 | 24 | 27 | 1.4571 | GE15LK02 | XGE15LK02 | |
| R3/8keg | 15 | 315 | 11 | 12 | 30 | 41 | 24 | 27 | 1.4571 | GE15LK03 | XGE15LK03 | |
| R1/2keg | 15 | 315 | 11 | 14 | 32 | 43 | 24 | 27 | 1.4571 | GE15LK04 | XGE15LK04 | |
| R1/2keg | 18 | 315 | 11,5 | 14 | 33 | 45 | 27 | 32 | 1.4571 | GE18LK04 | XGE18LK04 | |
| R3/4keg | 18 | 315 | 11,5 | 16 | 35 | 47 | 30 | 32 | 1.4571 | GE18LK06 | XGE18LK06 | |
| R3/8keg | 22 | 160 | 15,5 | 12 | 35 | 47 | 32 | 36 | 1.4571 | GE22LK03 | XGE22LK03 | |
| R1/2keg | 22 | 160 | 13,5 | 14 | 35 | 47 | 32 | 36 | 1.4571 | GE22LK04 | XGE22LK04 | |
| R3/4keg | 22 | 160 | 13,5 | 16 | 37 | 49 | 32 | 36 | 1.4571 | GE22LK06 | XGE22LK06 | |
| R1keg | 28 | 160 | 14,5 | 18 | 40 | 56 | 41 | 41 | 1.4571 | GE28LK08 | XGE28LK08 | |
| R1keg | 35 | 160 | 14,5 | 18 | 43 | 59 | 46 | 50 | 1.4571 | GE35LK08 | XGE35LK08 | |
| R1 1/4keg | 35 | 160 | 14,5 | 20 | 45 | 61 | 46 | 50 | 1.4571 | GE35LK10 | XGE35LK10 | |
| R1 1/4keg | 42 | 160 | 16 | 20 | 47 | 63 | 55 | 60 | 1.4571 | GE42LK10 | XGE42LK10 | |
| R1 1/2keg | 42 | 160 | 16 | 22 | 49 | 65 | 55 | 60 | 1.4571 | GE42LK12 | XGE42LK12 |


