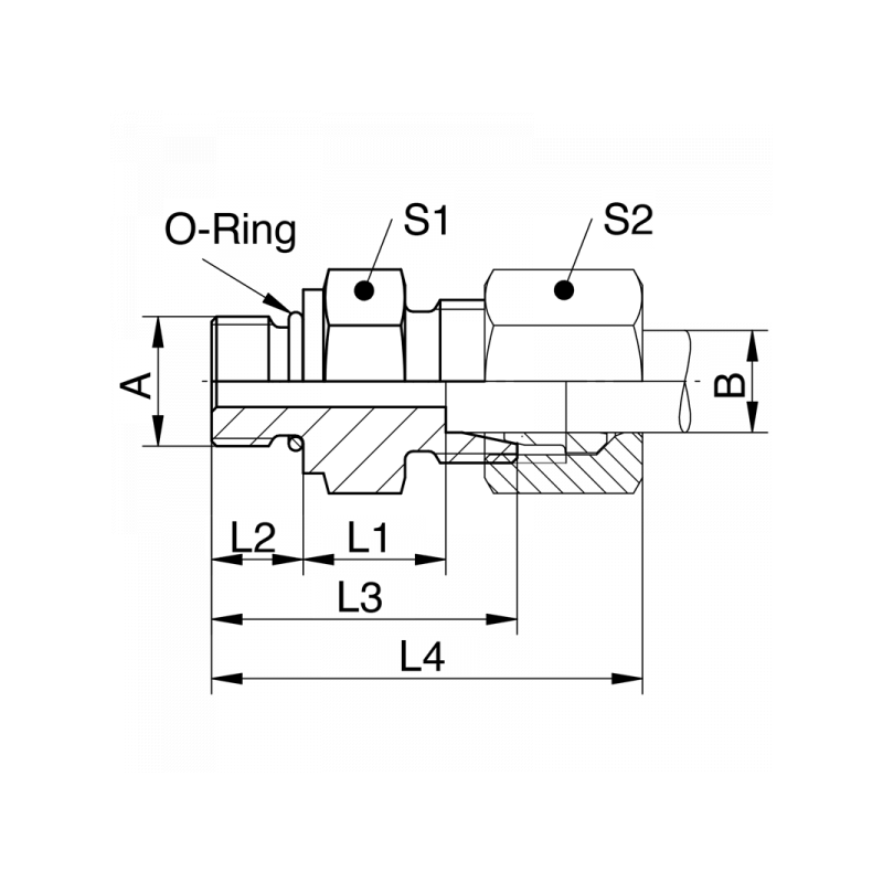
GE-LR-UNF: Gerade Einschraubverschraubung, Einschraubgewinde UNF mit Viton O-Ring, leichte Reihe
| A | B | PN / Bar | L1 / mm | L2 / mm | L3 / mm | L4 / mm | S1 | S2 | Material | Art.Nr. | Stutzen | |
|---|---|---|---|---|---|---|---|---|---|---|---|---|
| 7/16-20UNF | 06 | 315 | 8 | 9 | 24 | 34 | 14 | 14 | 1.4571 | GE06LU7/16 | XGE06LU7/16 | |
| 1/2-20UNF | 08 | 315 | 13 | 9 | 29 | 39 | 19 | 17 | 1.4571 | GE08LU1/2 | XGE08LU1/2 | |
| 7/16-20UNF | 08 | 315 | 10 | 9 | 26 | 36 | 17 | 17 | 1.4571 | GE08LU7/16 | XGE08LU7/16 | |
| 9/16-18UNF | 08 | 315 | 10 | 10 | 27 | 37 | 19 | 17 | 1.4571 | GE08LU9/16 | XGE08LU9/16 | |
| 3/4-16UNF | 10 | 315 | 10 | 11 | 28 | 39 | 22 | 19 | 1.4571 | GE10LU3/4 | XGE10LU3/4 | |
| 7/16-20UNF | 10 | 315 | 11 | 9 | 27 | 38 | 17 | 19 | 1.4571 | GE10LU7/16 | XGE10LU7/16 | |
| 3/4-16UNF | 12 | 315 | 12 | 11 | 31 | 42 | 24 | 22 | 1.4571 | GE12LU3/4 | XGE12LU3/4 | |
| 7/8-14UNF | 12 | 315 | 14,3 | 12,7 | 34 | 45 | 27 | 22 | 1.4571 | GE12LU7/8 | XGE12LU7/8 | |
| 9/16-18UNF | 12 | 315 | 11 | 10 | 28 | 39 | 19 | 22 | 1.4571 | GE12LU9/16 | XGE12LU9/16 | |
| 3/4-16UNF | 15 | 315 | 14 | 11 | 32 | 43 | 24 | 27 | 1.4571 | GE15LU3/4 | XGE15LU3/4 | |
| 7/8-14UNF | 15 | 315 | 15,3 | 12,7 | 35 | 46 | 27 | 27 | 1.4571 | GE15LU7/8 | XGE15LU7/8 | |
| 9/16-18UNF | 15 | 315 | 12 | 12 | 31 | 42 | 24 | 27 | 1.4571 | GE15LU9/16 | XGE15LU9/16 | |
| 3/4-16UNF | 18 | 315 | 14,5 | 11 | 33 | 45 | 27 | 32 | 1.4571 | GE18LU3/4 | XGE18LU3/4 | |
| 7/8-14UNF | 18 | 315 | 14,8 | 12,7 | 35 | 47 | 27 | 32 | 1.4571 | GE18LU7/8 | XGE18LU7/8 | |
| 1 1/16-12UN | 22 | 160 | 16,5 | 15 | 39 | 51 | 32 | 36 | 1.4571 | GE22LU11/16 | XGE22LU11/16 | |
| 7/8-14UNF | 22 | 160 | 16,8 | 12,7 | 37 | 49 | 32 | 36 | 1.4571 | GE22LU7/8 | XGE22LU7/8 | |
| 1 5/16-12UN | 28 | 160 | 17,5 | 15 | 40 | 54 | 41 | 41 | 1.4571 | GE28LU15/16 | XGE28LU15/16 | |
| 7/8-14UNF | 28 | 160 | 19,8 | 12,7 | 40 | 54 | 41 | 41 | 1.4571 | GE28LU7/8 | XGE28LU7/8 | |
| 1 5/16-12UN | 35 | 160 | 17,5 | 15 | 43 | 59 | 46 | 50 | 1.4571 | GE35LU15/16 | XGE35LU15/16 | |
| 1 5/8-12UN | 35 | 160 | 17,5 | 15 | 43 | 59 | 50 | 50 | 1.4571 | GE35LU15/8 | XGE35LU15/8 | |
| 1 5/16-12UN | 42 | 160 | 19 | 15 | 45 | 61 | 55 | 60 | 1.4571 | GE42LU15/16 | XGE42LU15/16 | |
| 1 5/8-12UN | 42 | 160 | 19 | 15 | 45 | 61 | 55 | 60 | 1.4571 | GE42LU15/8 | XGE42LU15/8 |


