Deutsch English

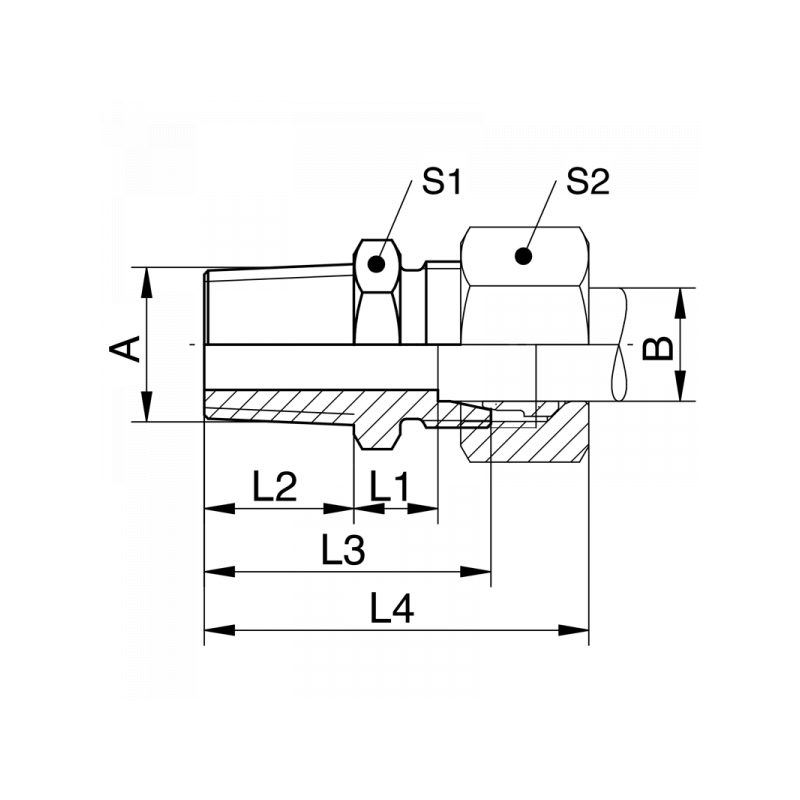
GE-SR-NPT: Gerade Einschraubverschraubung, Einschraubgewinde NPT, schwere Reihe

Gerade Einschraubverschraubung, Einschraubgewinde NPT, schwere Reihe
Gerade Einschraubverschraubung, Einschraubgewinde NPT, schwere Reihe
A B PN / Bar L1 / mm L2 / mm L3 / mm L4 / mm S1 S2 Material Art.Nr. Stutzen PDF
1/8NPT 06 630 11 10 28 38 14 17 1.4571 GE06SN01  XGE06SN01  
1/4NPT 06 630 13 15 35 45 17 17 1.4571 GE06SN02  XGE06SN02  
3/8NPT 06 630 11 15 33 43 19 17 1.4571 GE06SN03  XGE06SN03  
1/2NPT 06 630 15 20 42 52 22 17 1.4571 GE06SN04  XGE06SN04  
1/4NPT 08 630 13 15 35 45 17 19 1.4571 GE08SN02  XGE08SN02  
3/8NPT 08 630 13 15 35 45 19 19 1.4571 GE08SN03  XGE08SN03  
1/2NPT 08 630 15 20 42 52 22 19 1.4571 GE08SN04  XGE08SN04  
1/4NPT 10 630 12,5 15 35 47 19 22 1.4571 GE10SN02  XGE10SN02  
3/8NPT 10 630 12,5 15 35 47 19 22 1.4571 GE10SN03  XGE10SN03  
1/2NPT 10 630 14,5 20 42 54 22 22 1.4571 GE10SN04  XGE10SN04  
3/4NPT 10 630 16,5 20 44 56 30 22 1.4571 GE10SN06  XGE10SN06  
1/4NPT 12 630 14,5 15 37 49 22 24 1.4571 GE12SN02  XGE12SN02  
3/8NPT 12 630 14,5 15 37 49 22 24 1.4571 GE12SN03  XGE12SN03  
1/2NPT 12 630 14,5 20 42 54 22 24 1.4571 GE12SN04  XGE12SN04  
3/4NPT 12 630 16,5 20 44 56 30 24 1.4571 GE12SN06  XGE12SN06  
1/4NPT 14 630 16,5 15 39 51 24 27 1.4571 GE14SN02  XGE14SN02  
3/8NPT 14 630 16,5 15 39 51 24 27 1.4571 GE14SN03  XGE14SN03  
1/2NPT 14 630 16,5 20 44 56 24 27 1.4571 GE14SN04  XGE14SN04  
3/8NPT 16 400 15,5 15 39 52 27 30 1.4571 GE16SN03  XGE16SN03  
1/2NPT 16 400 17,5 20 46 59 27 30 1.4571 GE16SN04  XGE16SN04  
3/4NPT 16 400 17,5 20 46 59 30 30 1.4571 GE16SN06  XGE16SN06  
1/2NPT 20 400 17,5 20 48 63 32 36 1.4571 GE20SN04  XGE20SN04  
3/4NPT 20 400 17,5 20 48 63 32 36 1.4571 GE20SN06  XGE20SN06  
1NPT 20 400 19,5 25 55 70 36 36 1.4571 GE20SN08  XGE20SN08  
1/2NPT 25 400 20 20 52 68 41 46 1.4571 GE25SN04  XGE25SN04  
3/4NPT 25 400 20 20 52 68 41 46 1.4571 GE25SN06  XGE25SN06  
1NPT 25 400 20 25 57 73 41 46 1.4571 GE25SN08  XGE25SN08  
1 1/4NPT 25 400 20 26 58 74 46 46 1.4571 GE25SN10  XGE25SN10  
1NPT 30 400 20,5 25 59 75 46 50 1.4571 GE30SN08  XGE30SN08  
1 1/4NPT 30 400 20,5 26 60 76 46 50 1.4571 GE30SN10  XGE30SN10  
1 1/2NPT 30 400 20,5 26 60 76 50 50 1.4571 GE30SN12  XGE30SN12  
1NPT 38 250 23 25 64 83 55 60 1.4571 GE38SN08  XGE38SN08  
1 1/4NPT 38 250 23 26 65 84 55 60 1.4571 GE38SN10  XGE38SN10  
1 1/2NPT 38 250 23 26 65 84 55 60 1.4571 GE38SN12  XGE38SN12  

Verwandte Artikel

Nehmen Sie Kontakt auf

Ja, ich habe die Datenschutzerklärung zur Kenntnis genommen und bin damit einverstanden, dass die von mir angegebenen Daten elektronisch erhoben und gespeichert werden. Meine Daten werden dabei nur streng zweckgebunden zur Bearbeitung und Beantwortung meiner Anfrage genutzt.

Quality Made in Germany
ARMATUREN-ARNDT GMBH | © 2026 | Datenschutzerklärung | AGB | Impressum