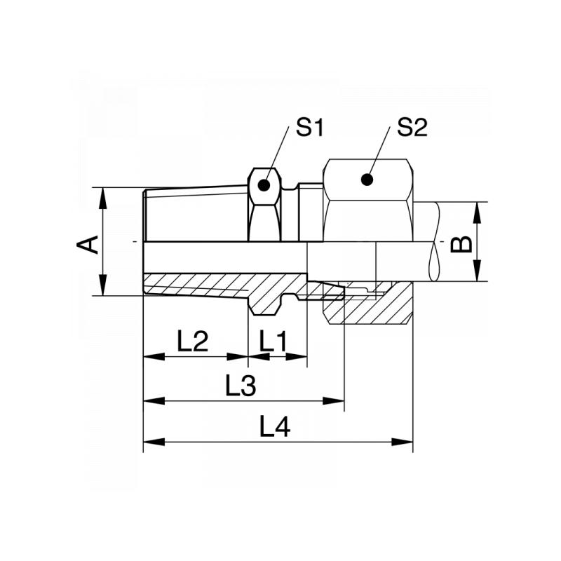
GE-SR-NPT: Gerade Einschraubverschraubung, Einschraubgewinde NPT, schwere Reihe
| A | B | PN / Bar | L1 / mm | L2 / mm | L3 / mm | L4 / mm | S1 | S2 | Material | Art.Nr. | Stutzen | |
|---|---|---|---|---|---|---|---|---|---|---|---|---|
| 1/8NPT | 06 | 630 | 11 | 10 | 28 | 38 | 14 | 17 | 1.4571 | GE06SN01 | XGE06SN01 | |
| 1/4NPT | 06 | 630 | 13 | 15 | 35 | 45 | 17 | 17 | 1.4571 | GE06SN02 | XGE06SN02 | |
| 3/8NPT | 06 | 630 | 11 | 15 | 33 | 43 | 19 | 17 | 1.4571 | GE06SN03 | XGE06SN03 | |
| 1/2NPT | 06 | 630 | 15 | 20 | 42 | 52 | 22 | 17 | 1.4571 | GE06SN04 | XGE06SN04 | |
| 1/4NPT | 08 | 630 | 13 | 15 | 35 | 45 | 17 | 19 | 1.4571 | GE08SN02 | XGE08SN02 | |
| 3/8NPT | 08 | 630 | 13 | 15 | 35 | 45 | 19 | 19 | 1.4571 | GE08SN03 | XGE08SN03 | |
| 1/2NPT | 08 | 630 | 15 | 20 | 42 | 52 | 22 | 19 | 1.4571 | GE08SN04 | XGE08SN04 | |
| 1/4NPT | 10 | 630 | 12,5 | 15 | 35 | 47 | 19 | 22 | 1.4571 | GE10SN02 | XGE10SN02 | |
| 3/8NPT | 10 | 630 | 12,5 | 15 | 35 | 47 | 19 | 22 | 1.4571 | GE10SN03 | XGE10SN03 | |
| 1/2NPT | 10 | 630 | 14,5 | 20 | 42 | 54 | 22 | 22 | 1.4571 | GE10SN04 | XGE10SN04 | |
| 3/4NPT | 10 | 630 | 16,5 | 20 | 44 | 56 | 30 | 22 | 1.4571 | GE10SN06 | XGE10SN06 | |
| 1/4NPT | 12 | 630 | 14,5 | 15 | 37 | 49 | 22 | 24 | 1.4571 | GE12SN02 | XGE12SN02 | |
| 3/8NPT | 12 | 630 | 14,5 | 15 | 37 | 49 | 22 | 24 | 1.4571 | GE12SN03 | XGE12SN03 | |
| 1/2NPT | 12 | 630 | 14,5 | 20 | 42 | 54 | 22 | 24 | 1.4571 | GE12SN04 | XGE12SN04 | |
| 3/4NPT | 12 | 630 | 16,5 | 20 | 44 | 56 | 30 | 24 | 1.4571 | GE12SN06 | XGE12SN06 | |
| 1/4NPT | 14 | 630 | 16,5 | 15 | 39 | 51 | 24 | 27 | 1.4571 | GE14SN02 | XGE14SN02 | |
| 3/8NPT | 14 | 630 | 16,5 | 15 | 39 | 51 | 24 | 27 | 1.4571 | GE14SN03 | XGE14SN03 | |
| 1/2NPT | 14 | 630 | 16,5 | 20 | 44 | 56 | 24 | 27 | 1.4571 | GE14SN04 | XGE14SN04 | |
| 3/8NPT | 16 | 400 | 15,5 | 15 | 39 | 52 | 27 | 30 | 1.4571 | GE16SN03 | XGE16SN03 | |
| 1/2NPT | 16 | 400 | 17,5 | 20 | 46 | 59 | 27 | 30 | 1.4571 | GE16SN04 | XGE16SN04 | |
| 3/4NPT | 16 | 400 | 17,5 | 20 | 46 | 59 | 30 | 30 | 1.4571 | GE16SN06 | XGE16SN06 | |
| 1/2NPT | 20 | 400 | 17,5 | 20 | 48 | 63 | 32 | 36 | 1.4571 | GE20SN04 | XGE20SN04 | |
| 3/4NPT | 20 | 400 | 17,5 | 20 | 48 | 63 | 32 | 36 | 1.4571 | GE20SN06 | XGE20SN06 | |
| 1NPT | 20 | 400 | 19,5 | 25 | 55 | 70 | 36 | 36 | 1.4571 | GE20SN08 | XGE20SN08 | |
| 1/2NPT | 25 | 400 | 20 | 20 | 52 | 68 | 41 | 46 | 1.4571 | GE25SN04 | XGE25SN04 | |
| 3/4NPT | 25 | 400 | 20 | 20 | 52 | 68 | 41 | 46 | 1.4571 | GE25SN06 | XGE25SN06 | |
| 1NPT | 25 | 400 | 20 | 25 | 57 | 73 | 41 | 46 | 1.4571 | GE25SN08 | XGE25SN08 | |
| 1 1/4NPT | 25 | 400 | 20 | 26 | 58 | 74 | 46 | 46 | 1.4571 | GE25SN10 | XGE25SN10 | |
| 1NPT | 30 | 400 | 20,5 | 25 | 59 | 75 | 46 | 50 | 1.4571 | GE30SN08 | XGE30SN08 | |
| 1 1/4NPT | 30 | 400 | 20,5 | 26 | 60 | 76 | 46 | 50 | 1.4571 | GE30SN10 | XGE30SN10 | |
| 1 1/2NPT | 30 | 400 | 20,5 | 26 | 60 | 76 | 50 | 50 | 1.4571 | GE30SN12 | XGE30SN12 | |
| 1NPT | 38 | 250 | 23 | 25 | 64 | 83 | 55 | 60 | 1.4571 | GE38SN08 | XGE38SN08 | |
| 1 1/4NPT | 38 | 250 | 23 | 26 | 65 | 84 | 55 | 60 | 1.4571 | GE38SN10 | XGE38SN10 | |
| 1 1/2NPT | 38 | 250 | 23 | 26 | 65 | 84 | 55 | 60 | 1.4571 | GE38SN12 | XGE38SN12 |


