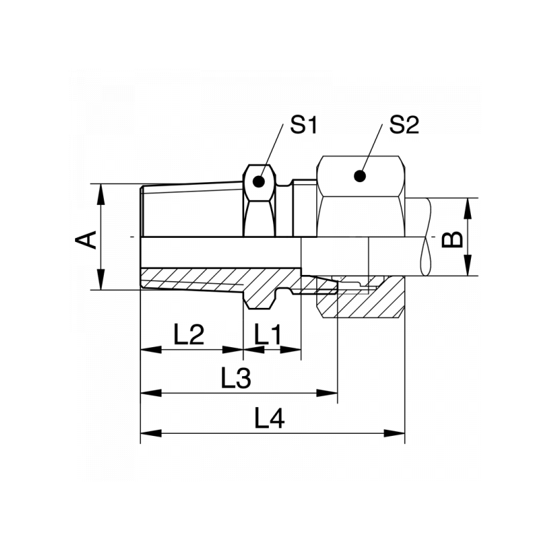
GE-LR-NPT: Gerade Einschraubverschraubung, Einschraubgewinde NPT, leichte Reihe
| A | B | PN / Bar | L1 / mm | L2 / mm | L3 / mm | L4 / mm | S1 | S2 | Material | Art.Nr. | Stutzen | |
|---|---|---|---|---|---|---|---|---|---|---|---|---|
| 1/8NPT | 06 | 315 | 7 | 10 | 24 | 34 | 12 | 14 | 1.4571 | GE06LN01 | XGE06LN01 | |
| 1/4NPT | 06 | 315 | 8 | 15 | 30 | 40 | 17 | 14 | 1.4571 | GE06LN02 | XGE06LN02 | |
| 3/8NPT | 06 | 315 | 8 | 15 | 30 | 40 | 19 | 14 | 1.4571 | GE06LN03 | XGE06LN03 | |
| 1/2NPT | 06 | 315 | 9 | 20 | 36 | 46 | 22 | 14 | 1.4571 | GE06LN04 | XGE06LN04 | |
| 1/8NPT | 08 | 315 | 8 | 10 | 25 | 35 | 14 | 17 | 1.4571 | GE08LN01 | XGE08LN01 | |
| 1/4NPT | 08 | 315 | 8 | 15 | 30 | 40 | 17 | 17 | 1.4571 | GE08LN02 | XGE08LN02 | |
| 3/8NPT | 08 | 315 | 8 | 15 | 30 | 40 | 19 | 17 | 1.4571 | GE08LN03 | XGE08LN03 | |
| 1/2NPT | 08 | 315 | 9 | 20 | 36 | 46 | 22 | 17 | 1.4571 | GE08LN04 | XGE08LN04 | |
| 1/8NPT | 10 | 315 | 8 | 10 | 25 | 36 | 17 | 19 | 1.4571 | GE10LN01 | XGE10LN01 | |
| 1/4NPT | 10 | 315 | 9 | 15 | 31 | 42 | 17 | 19 | 1.4571 | GE10LN02 | XGE10LN02 | |
| 3/8NPT | 10 | 315 | 10 | 15 | 32 | 43 | 19 | 19 | 1.4571 | GE10LN03 | XGE10LN03 | |
| 1/2NPT | 10 | 315 | 10 | 20 | 37 | 48 | 22 | 19 | 1.4571 | GE10LN04 | XGE10LN04 | |
| 3/4NPT | 10 | 315 | 11 | 20 | 38 | 49 | 30 | 19 | 1.4571 | GE10LN06 | XGE10LN06 | |
| 1/8NPT | 12 | 315 | 9 | 10 | 26 | 37 | 19 | 22 | 1.4571 | GE12LN01 | XGE12LN01 | |
| 1/4NPT | 12 | 315 | 10 | 15 | 32 | 43 | 19 | 22 | 1.4571 | GE12LN02 | XGE12LN02 | |
| 3/8NPT | 12 | 315 | 10 | 15 | 32 | 43 | 19 | 22 | 1.4571 | GE12LN03 | XGE12LN03 | |
| 1/2NPT | 12 | 315 | 10 | 20 | 37 | 48 | 22 | 22 | 1.4571 | GE12LN04 | XGE12LN04 | |
| 3/4NPT | 12 | 315 | 10 | 20 | 37 | 48 | 30 | 22 | 1.4571 | GE12LN06 | XGE12LN06 | |
| 1/4NPT | 15 | 315 | 11 | 15 | 33 | 44 | 24 | 27 | 1.4571 | GE15LN02 | XGE15LN02 | |
| 3/8NPT | 15 | 315 | 11 | 15 | 33 | 44 | 24 | 27 | 1.4571 | GE15LN03 | XGE15LN03 | |
| 1/2NPT | 15 | 315 | 11 | 20 | 38 | 49 | 24 | 27 | 1.4571 | GE15LN04 | XGE15LN04 | |
| 3/4NPT | 15 | 315 | 12 | 20 | 39 | 50 | 30 | 27 | 1.4571 | GE15LN06 | XGE15LN06 | |
| 3/8NPT | 18 | 315 | 11,5 | 15 | 34 | 46 | 27 | 32 | 1.4571 | GE18LN03 | XGE18LN03 | |
| 1/2NPT | 18 | 315 | 11,5 | 20 | 39 | 51 | 27 | 32 | 1.4571 | GE18LN04 | XGE18LN04 | |
| 3/4NPT | 18 | 315 | 11,5 | 20 | 39 | 51 | 30 | 32 | 1.4571 | GE18LN06 | XGE18LN06 | |
| 1/2NPT | 22 | 160 | 13,5 | 20 | 41 | 53 | 32 | 36 | 1.4571 | GE22LN04 | XGE22LN04 | |
| 3/4NPT | 22 | 160 | 13,5 | 20 | 41 | 53 | 32 | 36 | 1.4571 | GE22LN06 | XGE22LN06 | |
| 1NPT | 22 | 160 | 14,5 | 25 | 47 | 59 | 36 | 36 | 1.4571 | GE22LN08 | XGE22LN08 | |
| 1/2NPT | 28 | 160 | 14,5 | 20 | 42 | 56 | 41 | 41 | 1.4571 | GE28LN04 | XGE28LN04 | |
| 3/4NPT | 28 | 160 | 14,5 | 20 | 42 | 56 | 41 | 41 | 1.4571 | GE28LN06 | XGE28LN06 | |
| 1NPT | 28 | 160 | 14,5 | 25 | 47 | 61 | 41 | 41 | 1.4571 | GE28LN08 | XGE28LN08 | |
| 1NPT | 35 | 160 | 14,5 | 25 | 50 | 66 | 46 | 50 | 1.4571 | GE35LN08 | XGE35LN08 | |
| 1 1/4NPT | 35 | 160 | 14,5 | 26 | 51 | 67 | 46 | 50 | 1.4571 | GE35LN10 | XGE35LN10 | |
| 1 1/2NPT | 35 | 160 | 14,5 | 26 | 53 | 69 | 50 | 50 | 1.4571 | GE35LN12 | XGE35LN12 | |
| 1 1/4NPT | 42 | 160 | 18 | 26 | 53 | 69 | 55 | 60 | 1.4571 | GE42LN10 | XGE42LN10 | |
| 1 1/2NPT | 42 | 160 | 18 | 26 | 53 | 69 | 55 | 60 | 1.4571 | GE42LN12 | XGE42LN12 |


