Deutsch English

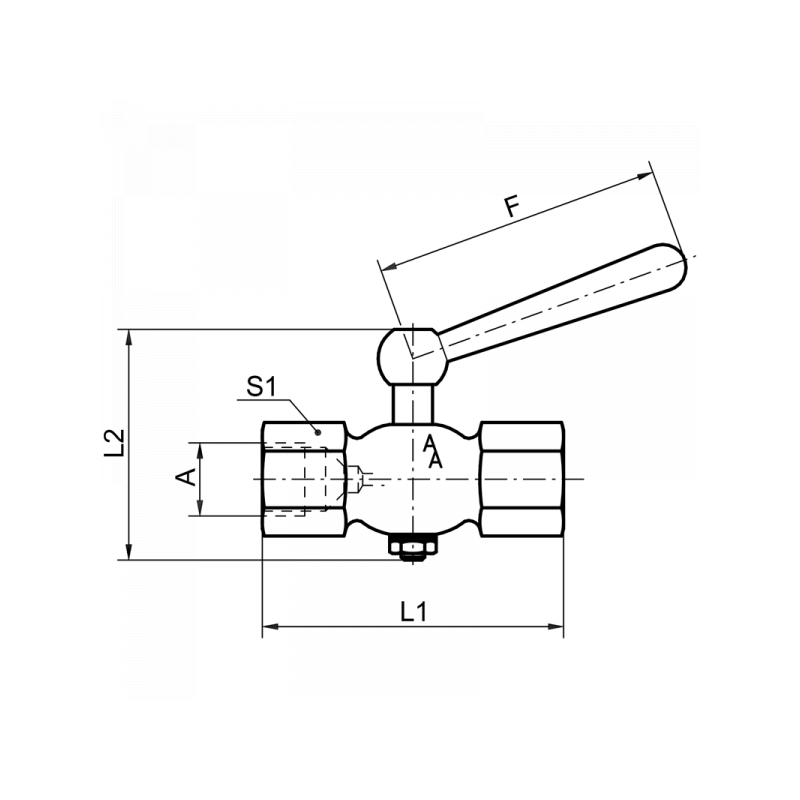
Fig. 11: Manometer-Absperrhahn, DIN 16261 A, Muffe x Muffe, Material: Messing, 1.4571

Manometer-Absperrhahn, DIN 16261 A, Muffe x Muffe, Material: Messing, 1.4571
Manometer-Absperrhahn, DIN 16261 A, Muffe x Muffe, Material: Messing, 1.4571
DIN A PN / Bar L1 / mm L2 / mm F / mm S1 Material Art.Nr. PDF
DIN 16261 A G1/4 6 -10°C / +50°C 50 60 48 22 1.4571 10011023  
DIN 16261 A G3/8 6 -10°C / +50°C 55 60 48 22 1.4571 10011033  
DIN 16261 A G1/2 16 -10°C / +50°C 70 67 60 27 1.4571 10011043  
DIN 16261 A G1/4 6 -10°C / +50°C 50 60 48 20 1.4571 E10011023  
DIN 16261 A G1/2 16 -10°C / +50°C 70 67 60 27 1.4571 E10011043  
DIN 16261 A G1/4 16 -10°C / +50°C 56 43 62 22 Messing 10011021  
DIN 16261 A G3/8 6 -10°C / +50°C 62 62 62 27 Messing 10011031  
DIN 16261 A G1/2 25 -10°C / +50°C 71 62 62 27 Messing 10011041  

Verwandte Artikel

Nehmen Sie Kontakt auf

Ja, ich habe die Datenschutzerklärung zur Kenntnis genommen und bin damit einverstanden, dass die von mir angegebenen Daten elektronisch erhoben und gespeichert werden. Meine Daten werden dabei nur streng zweckgebunden zur Bearbeitung und Beantwortung meiner Anfrage genutzt.

Quality Made in Germany
ARMATUREN-ARNDT GMBH | © 2026 | Datenschutzerklärung | AGB | Impressum