Deutsch English

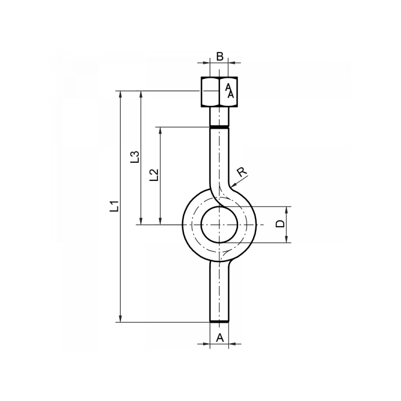
Fig. 97: Wassersackrohr, DIN 16282, FormD, Anschweißende x Spannmuffe, Kreisform, Material: Stahl, 1.4571 für vertikale Druckentnahme

Wassersackrohr, DIN 16282, FormD, Anschweißende x Spannmuffe, Kreisform, Material: Stahl, 1.4571 für vertikale Druckentnahme
Wassersackrohr, DIN 16282, FormD, Anschweißende x Spannmuffe, Kreisform, Material: Stahl, 1.4571 für vertikale Druckentnahme
DIN A L1 / mm L2 / mm L3 / mm D Material Art.Nr. PDF
DIN 16282 - Form D G1/2 240 95 130 56 1.4571 10097043  
DIN 16282 - Form D G1/2 240 95 130 56 Stahl 10097042  

Verwandte Artikel

Nehmen Sie Kontakt auf

Ja, ich habe die Datenschutzerklärung zur Kenntnis genommen und bin damit einverstanden, dass die von mir angegebenen Daten elektronisch erhoben und gespeichert werden. Meine Daten werden dabei nur streng zweckgebunden zur Bearbeitung und Beantwortung meiner Anfrage genutzt.

Quality Made in Germany
ARMATUREN-ARNDT GMBH | © 2026 | Datenschutzerklärung | AGB | Impressum