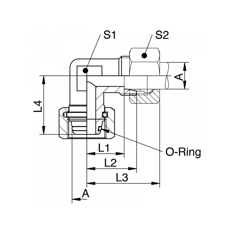
EVWD-L/S: Einstellbare Winkelverschraubung mit Dichtkopf und Viton O-Ring, leichte + schwere Reihe
| A | PN / Bar | L1 / mm | L2 / mm | L3 / mm | L4 / mm | S1 | S2 | Material | Art.Nr. | Stutzen | |
|---|---|---|---|---|---|---|---|---|---|---|---|
| 06 | 315 | 12 | 19 | 29 | 24 | 12 | 14 | 1.4571 | EVWD06L | EVWD06LDKVM | |
| 08 | 315 | 14 | 21 | 31 | 26 | 12 | 17 | 1.4571 | EVWD08L | EVWD08LDKVM | |
| 10 | 315 | 15 | 22 | 33 | 28 | 14 | 19 | 1.4571 | EVWD10L | EVWD10LDKVM | |
| 12 | 315 | 17 | 24 | 35 | 28,5 | 17 | 22 | 1.4571 | EVWD12L | EVWD12LDKVM | |
| 15 | 315 | 21 | 28 | 39 | 31,5 | 19 | 27 | 1.4571 | EVWD15L | EVWD15LDKVM | |
| 18 | 315 | 23,5 | 31 | 43 | 34,5 | 24 | 32 | 1.4571 | EVWD18L | EVWD18LDKVM | |
| 22 | 160 | 27,5 | 35 | 47 | 37,5 | 27 | 36 | 1.4571 | EVWD22L | EVWD22LDKVM | |
| 28 | 160 | 30,5 | 38 | 52 | 40,5 | 36 | 41 | 1.4571 | EVWD28L | EVWD28LDKVM | |
| 35 | 160 | 34,5 | 45 | 61 | 49,5 | 41 | 50 | 1.4571 | EVWD35L | EVWD35LDKVM | |
| 42 | 160 | 40 | 51 | 67 | 54 | 50 | 60 | 1.4571 | EVWD42L | EVWD42LDKVM | |
| 06 | 630 | 16 | 23 | 33 | 27 | 12 | 17 | 1.4571 | EVWD06S | EVWD06SDKVM | |
| 08 | 630 | 17 | 24 | 34 | 26,5 | 14 | 19 | 1.4571 | EVWD08S | EVWD08SDKVM | |
| 10 | 630 | 17,5 | 25 | 37 | 28,5 | 17 | 22 | 1.4571 | EVWD10S | EVWD10SDKVM | |
| 12 | 630 | 21,5 | 29 | 41 | 29,5 | 17 | 24 | 1.4571 | EVWD12S | EVWD12SDKVM | |
| 14 | 630 | 22 | 30 | 42 | 33,5 | 19 | 27 | 1.4571 | EVWD14S | EVWD14SDKVM | |
| 16 | 400 | 24,5 | 33 | 46 | 35 | 24 | 30 | 1.4571 | EVWD16S | EVWD16SDKVM | |
| 20 | 400 | 26,5 | 37 | 52 | 41,5 | 27 | 36 | 1.4571 | EVWD20S | EVWD20SDKVM | |
| 25 | 400 | 30 | 42 | 58 | 45,5 | 36 | 46 | 1.4571 | EVWD25S | EVWD25SDKVM | |
| 30 | 400 | 35,5 | 49 | 65 | 49 | 41 | 50 | 1.4571 | EVWD30S | EVWD30SDKVM | |
| 38 | 250 | 41 | 57 | 76 | 54,5 | 50 | 60 | 1.4571 | EVWD38S | EVWD38SDKVM |


