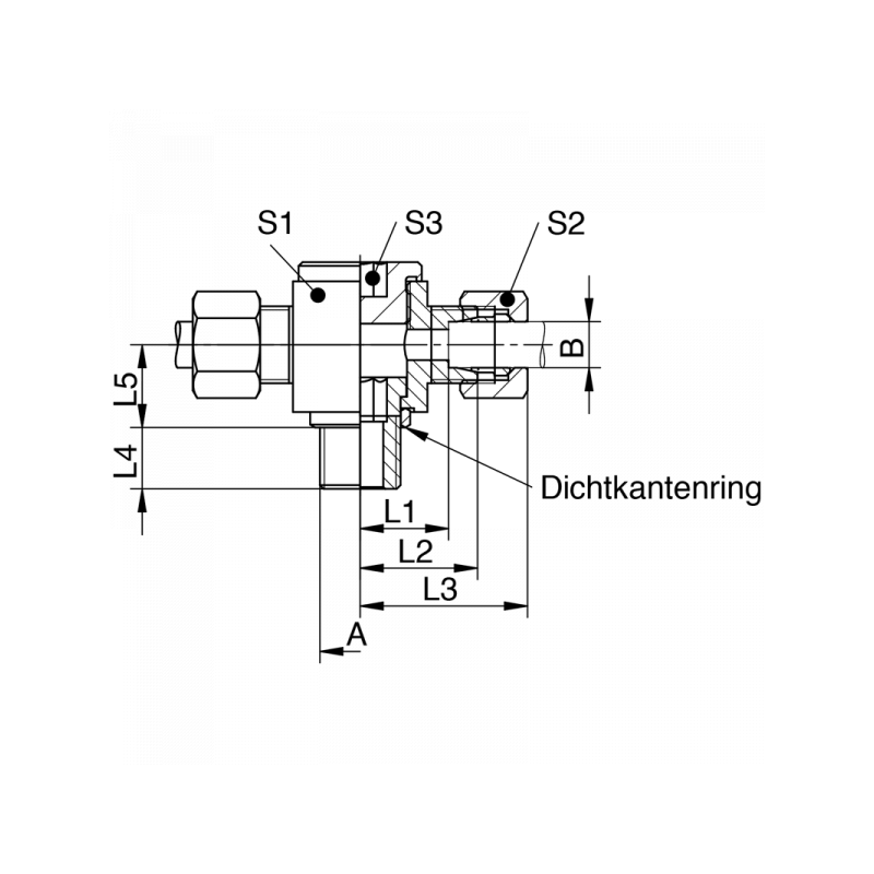
DSVT-LR/SR: Drosselfreie T-Schwenkverschraubung, Einschraubgewinde BSPP mit Dichkantenring, leichte + schwere Reihe
| A | B | PN / Bar | L1 / mm | L2 / mm | L3 / mm | L4 / mm | L5 / mm | S1 | S2 | S3 | Material | Art.Nr. | |
|---|---|---|---|---|---|---|---|---|---|---|---|---|---|
| G1/8 | 06 | 315 | 13 | 20 | 30 | 8 | 11 | 20 | 14 | 6 | 1.4571 | DSVT06L01 | |
| G1/4 | 08 | 315 | 16 | 23 | 33 | 12 | 16 | 25 | 17 | 8 | 1.4571 | DSVT08L02 | |
| G1/4 | 10 | 315 | 17 | 24 | 35 | 12 | 16 | 25 | 19 | 8 | 1.4571 | DSVT10L02 | |
| G3/8 | 12 | 315 | 19 | 26 | 37 | 12 | 18 | 30 | 22 | 10 | 1.4571 | DSVT12L03 | |
| G1/2 | 15 | 315 | 25 | 32 | 43 | 14 | 21 | 35 | 27 | 12 | 1.4571 | DSVT15L04 | |
| G1/2 | 18 | 315 | 25 | 32,5 | 44,5 | 14 | 23 | 35 | 32 | 12 | 1.4571 | DSVT18L04 | |
| G3/4 | 22 | 160 | 28 | 35,5 | 47,5 | 16 | 28 | 45 | 36 | 17 | 1.4571 | DSVT22L06 | |
| G1 | 28 | 160 | 32 | 39,5 | 53,5 | 18 | 32 | 50 | 41 | 22 | 1.4571 | DSVT28L08 | |
| G1 1/4 | 35 | 160 | 35 | 45,5 | 61,5 | 20 | 36 | 60 | 50 | 27 | 1.4571 | DSVT35L10 | |
| G1 1/2 | 42 | 160 | 40 | 51 | 67 | 22 | 41 | 70 | 60 | 32 | 1.4571 | DSVT42L12 | |
| G1/4 | 06 | 630 | 18 | 25 | 35 | 12 | 16 | 25 | 17 | 8 | 1.4571 | DSVT06S02 | |
| G1/4 | 08 | 630 | 18 | 25 | 35 | 12 | 16 | 25 | 19 | 8 | 1.4571 | DSVT08S02 | |
| G3/8 | 10 | 630 | 20 | 27,5 | 39,5 | 12 | 18 | 30 | 22 | 10 | 1.4571 | DSVT10S03 | |
| G3/8 | 12 | 630 | 20 | 27,5 | 39,5 | 12 | 18 | 30 | 24 | 10 | 1.4571 | DSVT12S03 | |
| G1/2 | 14 | 630 | 24 | 32 | 44 | 14 | 21 | 35 | 27 | 12 | 1.4571 | DSVT14S04 | |
| G1/2 | 16 | 400 | 22 | 30,5 | 43,5 | 14 | 23 | 35 | 30 | 12 | 1.4571 | DSVT16S04 | |
| G3/4 | 20 | 400 | 27 | 37,5 | 52,5 | 16 | 28 | 45 | 36 | 17 | 1.4571 | DSVT20S06 | |
| G1 | 25 | 400 | 31 | 43 | 59 | 18 | 32 | 50 | 46 | 22 | 1.4571 | DSVT25S08 | |
| G1 1/4 | 30 | 400 | 36 | 49,5 | 65,5 | 20 | 37 | 60 | 50 | 27 | 1.4571 | DSVT30S10 | |
| G1 1/2 | 38 | 250 | 41 | 57 | 76 | 22 | 42 | 70 | 60 | 32 | 1.4571 | DSVT38S12 |


