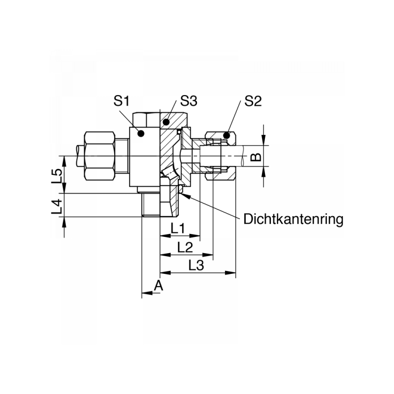
STEV-LR/SR: T-Schwenkverschraubung, Einschraubgewinde BSPP mit Dichtkantenring, leichte + schwere Reihe
| A | B | PN / Bar | L1 / mm | L2 / mm | L3 / mm | L4 / mm | L5 / mm | S1 | S2 | S3 | Material | Art.Nr. | Stutzen | |
|---|---|---|---|---|---|---|---|---|---|---|---|---|---|---|
| G1/8 | 06 | 315 | 13 | 20 | 30 | 8 | 10 | 16 | 14 | 14 | 1.4571 | STEV06L01 | XSTEV06L01 | |
| G1/4 | 08 | 315 | 14 | 21 | 31 | 10 | 14 | 20 | 17 | 19 | 1.4571 | STEV08L02 | XSTEV08L02 | |
| G1/4 | 10 | 315 | 15 | 22 | 33 | 10 | 14 | 20 | 19 | 19 | 1.4571 | STEV10L02 | XSTEV10L02 | |
| G3/8 | 12 | 315 | 18 | 25 | 36 | 10 | 16 | 25 | 22 | 22 | 1.4571 | STEV12L03 | XSTEV12L03 | |
| G1/2 | 15 | 315 | 21 | 28 | 39 | 12 | 20 | 30 | 27 | 27 | 1.4571 | STEV15L04 | XSTEV15L04 | |
| G1/2 | 18 | 315 | 21 | 28,5 | 40,5 | 12 | 22 | 30 | 32 | 27 | 1.4571 | STEV18L04 | XSTEV18L04 | |
| G3/4 | 22 | 160 | 27 | 34,5 | 46,5 | 12 | 24 | 35 | 36 | 32 | 1.4571 | STEV22L06 | XSTEV22L06 | |
| G1 | 28 | 160 | 31 | 38,5 | 52,5 | 12 | 30 | 45 | 41 | 41 | 1.4571 | STEV28L08 | XSTEV28L08 | |
| G1 1/4 | 35 | 160 | 35 | 45,5 | 61,5 | 14 | 36 | 55 | 50 | 50 | 1.4571 | STEV35L10 | XSTEV35L10 | |
| G1 1/2 | 42 | 160 | 40 | 51 | 67 | 14 | 41 | 65 | 60 | 60 | 1.4571 | STEV42L12 | XSTEV42L12 | |
| G1/4 | 06 | 630 | 16 | 23 | 33 | 10 | 14 | 20 | 17 | 19 | 1.4571 | STEV06S02 | XSTEV06S02 | |
| G1/4 | 08 | 630 | 16 | 23 | 33 | 10 | 14 | 20 | 19 | 19 | 1.4571 | STEV08S02 | XSTEV08S02 | |
| G3/8 | 10 | 630 | 18 | 25,5 | 37,5 | 10 | 16 | 25 | 22 | 22 | 1.4571 | STEV10S03 | XSTEV10S03 | |
| G3/8 | 12 | 630 | 18 | 25,5 | 37,5 | 10 | 16 | 25 | 24 | 22 | 1.4571 | STEV12S03 | XSTEV12S03 | |
| G1/2 | 14 | 630 | 22 | 30 | 42 | 12 | 20 | 30 | 27 | 27 | 1.4571 | STEV14S04 | XSTEV14S04 | |
| G1/2 | 16 | 400 | 21 | 29,5 | 42,5 | 12 | 22 | 30 | 30 | 27 | 1.4571 | STEV16S04 | XSTEV16S04 | |
| G3/4 | 20 | 400 | 26 | 36,5 | 51,5 | 12 | 24 | 35 | 36 | 32 | 1.4571 | STEV20S06 | XSTEV20S06 | |
| G1 | 25 | 400 | 31 | 43 | 59 | 12 | 30 | 45 | 46 | 41 | 1.4571 | STEV25S08 | XSTEV25S08 | |
| G1 1/4 | 30 | 400 | 36 | 49,5 | 65,5 | 14 | 36 | 55 | 50 | 50 | 1.4571 | STEV30S10 | XSTEV30S10 | |
| G1 1/2 | 38 | 250 | 41 | 57 | 76 | 14 | 41 | 65 | 60 | 60 | 1.4571 | STEV38S12 | XSTEV38S12 |


