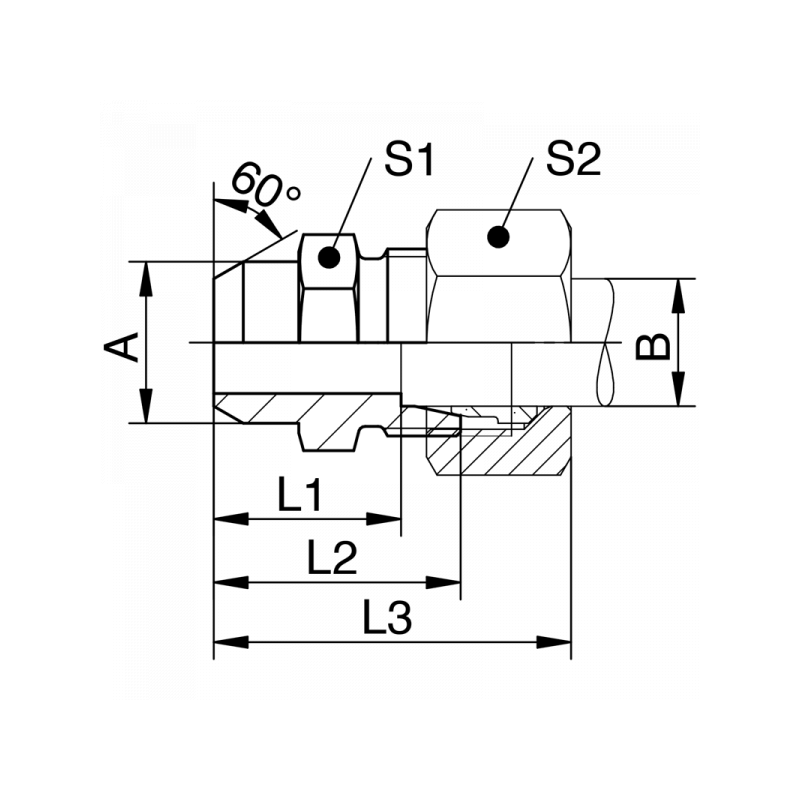
ASV-L/S: Anschweißverschraubung, leichte + schwere Reihe
| A | B | PN / Bar | L1 / mm | L2 / mm | L3 / mm | S1 | S2 | Material | Art.Nr. | Stutzen | |
|---|---|---|---|---|---|---|---|---|---|---|---|
| 10 | 06 | 315 | 14 | 21 | 31 | 12 | 14 | 1.4571 | ASV06L | XASV06L | |
| 12 | 08 | 315 | 16 | 23 | 33 | 14 | 17 | 1.4571 | ASV08L | XASV08L | |
| 14 | 10 | 315 | 18 | 25 | 36 | 17 | 19 | 1.4571 | ASV10L | XASV10L | |
| 16 | 12 | 315 | 18 | 25 | 36 | 19 | 22 | 1.4571 | ASV12L | XASV12L | |
| 19 | 15 | 315 | 22 | 29 | 40 | 22 | 27 | 1.4571 | ASV15L | XASV15L | |
| 22 | 18 | 315 | 23,5 | 31 | 43 | 27 | 32 | 1.4571 | ASV18L | XASV18L | |
| 27 | 22 | 160 | 28,5 | 36 | 48 | 32 | 36 | 1.4571 | ASV22L | XASV22L | |
| 32 | 28 | 160 | 30,5 | 38 | 52 | 41 | 41 | 1.4571 | ASV28L | XASV28L | |
| 40 | 35 | 160 | 32,5 | 43 | 59 | 46 | 50 | 1.4571 | ASV35L | XASV35L | |
| 46 | 42 | 160 | 35 | 46 | 62 | 55 | 60 | 1.4571 | ASV42L | XASV42L | |
| 11 | 06 | 630 | 19 | 26 | 36 | 14 | 17 | 1.4571 | ASV06S | XASV06S | |
| 13 | 08 | 630 | 21 | 28 | 38 | 17 | 19 | 1.4571 | ASV08S | XASV08S | |
| 15 | 10 | 630 | 22,5 | 30 | 42 | 19 | 22 | 1.4571 | ASV10S | XASV10S | |
| 17 | 12 | 630 | 24,5 | 32 | 44 | 22 | 24 | 1.4571 | ASV12S | XASV12S | |
| 19 | 14 | 630 | 27 | 35 | 47 | 24 | 27 | 1.4571 | ASV14S | XASV14S | |
| 21 | 16 | 400 | 26,5 | 35 | 48 | 27 | 30 | 1.4571 | ASV16S | XASV16S | |
| 26 | 20 | 400 | 29,5 | 40 | 55 | 32 | 36 | 1.4571 | ASV20S | XASV20S | |
| 31 | 25 | 400 | 32 | 44 | 60 | 41 | 46 | 1.4571 | ASV25S | XASV25S | |
| 36 | 30 | 400 | 35,5 | 49 | 65 | 46 | 50 | 1.4571 | ASV30S | XASV30S | |
| 44 | 38 | 250 | 38 | 54 | 73 | 55 | 60 | 1.4571 | ASV38S | XASV38S |


