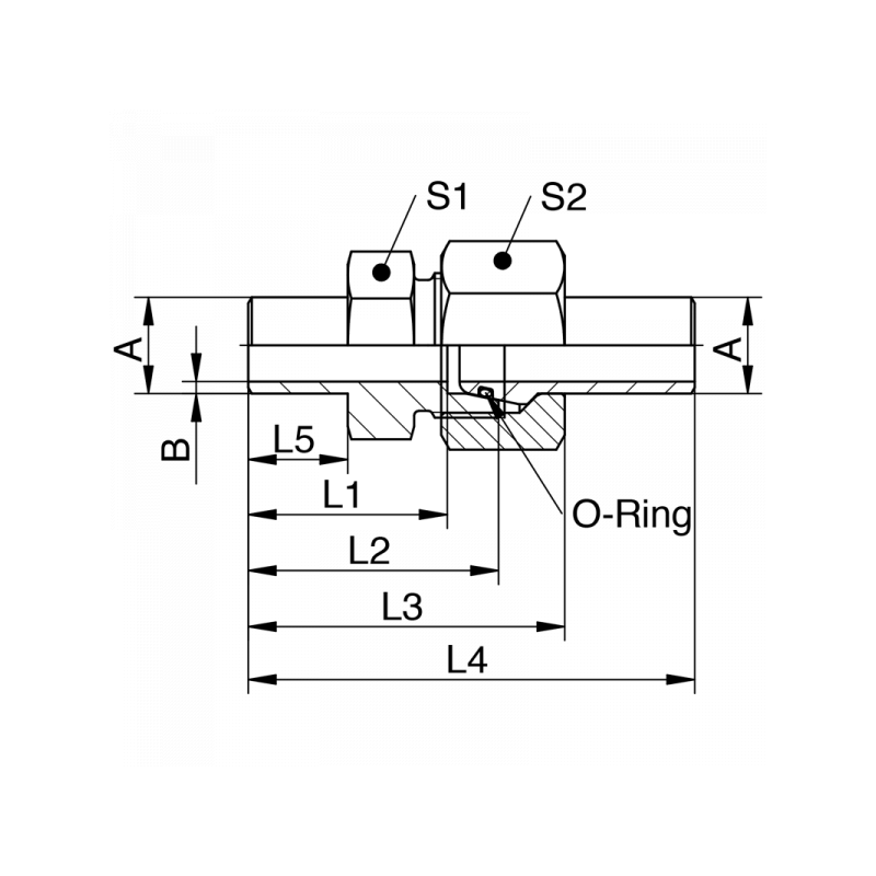
ASK-L/S: Anschweißverschraubung für Rohr, leichte + schwere Reihe


A | B | PN / Bar | L1 / mm | L2 / mm | L3 / mm | L4 / mm | L5 / mm | S1 | S2 | Material | Art.Nr. | |
---|---|---|---|---|---|---|---|---|---|---|---|---|
15 | 1,5 | 280 | 26 | 33 | 44 | 66,5 | 15 | 24 | 27 | 1.4571 | ASK15X1.5 | |
15 | 2,0 | 315 | 26 | 33 | 44 | 66,5 | 15 | 24 | 27 | 1.4571 | ASK15X2 | |
18 | 1,5 | 230 | 33,5 | 40 | 52 | 68,5 | 16,5 | 27 | 32 | 1.4571 | ASK18X1.5 | |
18 | 2,0 | 315 | 33,5 | 40 | 52 | 68,5 | 16,5 | 27 | 32 | 1.4571 | ASK18X2 | |
22 | 2,0 | 160 | 36,5 | 44 | 46 | 76 | 19 | 32 | 36 | 1.4571 | ASK22X2 | |
22 | 2,5 | 160 | 36,5 | 44 | 46 | 76 | 19 | 32 | 36 | 1.4571 | ASK22X2.5 | |
28 | 2,0 | 160 | 38 | 45,5 | 59,5 | 80,5 | 19,5 | 41 | 41 | 1.4571 | ASK28X2 | |
28 | 2,5 | 160 | 38 | 45,5 | 59,5 | 80,5 | 19,5 | 41 | 41 | 1.4571 | ASK28X2.5 | |
28 | 4,0 | 160 | 38 | 45,5 | 59,5 | 80,5 | 19,5 | 41 | 41 | 1.4571 | ASK28X4 | |
35 | 2,5 | 160 | 40,5 | 51 | 67 | 89,5 | 22 | 46 | 50 | 1.4571 | ASK35X2.5 | |
35 | 3,0 | 160 | 40,5 | 51 | 67 | 89,5 | 22 | 46 | 50 | 1.4571 | ASK35X3 | |
35 | 4,0 | 160 | 40,5 | 51 | 67 | 89,5 | 22 | 46 | 50 | 1.4571 | ASK35X4 | |
42 | 2,0 | 133 | 41,5 | 52,5 | 68,5 | 91 | 22 | 55 | 60 | 1.4571 | ASK42X2 | |
42 | 3,0 | 160 | 41,5 | 52,5 | 68,5 | 91 | 22 | 55 | 60 | 1.4571 | ASK42X3 | |
42 | 4,0 | 160 | 41,5 | 52,5 | 68,5 | 91 | 22 | 55 | 60 | 1.4571 | ASK42X4 | |
42 | 5,0 | 160 | 41,5 | 52,5 | 68,5 | 91 | 22 | 55 | 60 | 1.4571 | ASK42X5 | |
10 | 1,0 | 242 | 24,5 | 32 | 44 | 58 | 10 | 19 | 22 | 1.4571 | ASK10X1 | |
10 | 1,5 | 349 | 24,5 | 32 | 44 | 58 | 10 | 19 | 22 | 1.4571 | ASK10X1.5 | |
10 | 2,0 | 447 | 24,5 | 32 | 44 | 58 | 10 | 19 | 22 | 1.4571 | ASK10X2 | |
12 | 1,5 | 297 | 29,5 | 37 | 49 | 63 | 15 | 22 | 24 | 1.4571 | ASK12X1.5 | |
12 | 2,0 | 383 | 29,5 | 37 | 49 | 63 | 15 | 22 | 24 | 1.4571 | ASK12X2 | |
12 | 2,5 | 463 | 29,5 | 37 | 49 | 63 | 15 | 22 | 24 | 1.4571 | ASK12X2.5 | |
14 | 2,0 | 334 | 35,5 | 43,5 | 55,5 | 75,5 | 16,5 | 24 | 27 | 1.4571 | ASK14X2 | |
16 | 2,0 | 297 | 33 | 41,5 | 54,5 | 73,5 | 16,5 | 27 | 30 | 1.4571 | ASK16X2 | |
16 | 2,5 | 362 | 33 | 41,5 | 54,5 | 73,5 | 16,5 | 27 | 30 | 1.4571 | ASK16X2.5 | |
16 | 3,0 | 400 | 33 | 41,5 | 54,5 | 73,5 | 16,5 | 27 | 30 | 1.4571 | ASK16X3 | |
20 | 2,0 | 242 | 36,5 | 47 | 62 | 83,5 | 19 | 32 | 36 | 1.4571 | ASK20X2 | |
20 | 2,5 | 297 | 36,5 | 47 | 62 | 83,5 | 19 | 32 | 36 | 1.4571 | ASK20X2.5 | |
20 | 3,0 | 349 | 36,5 | 47 | 62 | 83,5 | 19 | 32 | 36 | 1.4571 | ASK20X3 | |
20 | 4,0 | 400 | 36,5 | 47 | 62 | 83,5 | 19 | 32 | 36 | 1.4571 | ASK20X4 | |
25 | 3,0 | 286 | 39,5 | 51,5 | 67,5 | 92,5 | 19,5 | 41 | 46 | 1.4571 | ASK25X3 | |
25 | 4,0 | 369 | 39,5 | 51,5 | 67,5 | 92,5 | 19,5 | 41 | 46 | 1.4571 | ASK25X4 | |
25 | 5,0 | 400 | 39,5 | 51,5 | 67,5 | 92,5 | 19,5 | 41 | 46 | 1.4571 | ASK25X5 | |
30 | 3,0 | 242 | 44,5 | 58 | 74 | 101,5 | 23 | 46 | 50 | 1.4571 | ASK30X3 | |
30 | 4,0 | 314 | 44,5 | 58 | 74 | 101,5 | 23 | 46 | 50 | 1.4571 | ASK30X4 | |
30 | 5,0 | 383 | 44,5 | 58 | 74 | 101,5 | 23 | 46 | 50 | 1.4571 | ASK30X5 | |
30 | 6,0 | 400 | 44,5 | 58 | 74 | 101,5 | 23 | 46 | 50 | 1.4571 | ASK30X6 | |
38 | 3,5 | 250 | 44 | 60 | 79 | 108 | 22 | 55 | 60 | 1.4571 | ASK38X3.5 | |
38 | 4,0 | 250 | 44 | 60 | 79 | 108 | 22 | 55 | 60 | 1.4571 | ASK38X4 | |
38 | 5,0 | 250 | 44 | 60 | 79 | 108 | 22 | 55 | 60 | 1.4571 | ASK38X5 | |
38 | 6,0 | 250 | 44 | 60 | 79 | 108 | 41 | 55 | 60 | 1.4571 | ASK38X6 |