Deutsch English

ASK-L/S: Anschweißverschraubung für Rohr, leichte + schwere Reihe

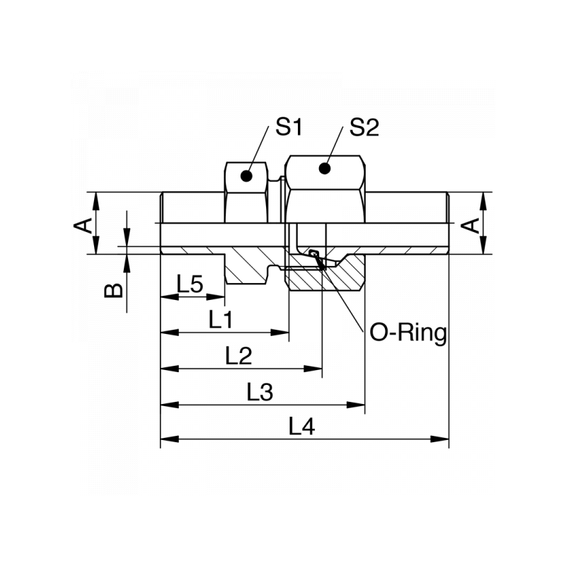
Anschweißverschraubung für Rohr, leichte + schwere Reihe
Anschweißverschraubung für Rohr, leichte + schwere Reihe
A B PN / Bar L1 / mm L2 / mm L3 / mm L4 / mm L5 / mm S1 S2 Material Art.Nr. PDF
15 1,5 280 26 33 44 66,5 15 24 27 1.4571 ASK15X1.5  
15 2,0 315 26 33 44 66,5 15 24 27 1.4571 ASK15X2  
18 1,5 230 33,5 40 52 68,5 16,5 27 32 1.4571 ASK18X1.5  
18 2,0 315 33,5 40 52 68,5 16,5 27 32 1.4571 ASK18X2  
22 2,0 160 36,5 44 46 76 19 32 36 1.4571 ASK22X2  
22 2,5 160 36,5 44 46 76 19 32 36 1.4571 ASK22X2.5  
28 2,0 160 38 45,5 59,5 80,5 19,5 41 41 1.4571 ASK28X2  
28 2,5 160 38 45,5 59,5 80,5 19,5 41 41 1.4571 ASK28X2.5  
28 4,0 160 38 45,5 59,5 80,5 19,5 41 41 1.4571 ASK28X4  
35 2,5 160 40,5 51 67 89,5 22 46 50 1.4571 ASK35X2.5  
35 3,0 160 40,5 51 67 89,5 22 46 50 1.4571 ASK35X3  
35 4,0 160 40,5 51 67 89,5 22 46 50 1.4571 ASK35X4  
42 2,0 133 41,5 52,5 68,5 91 22 55 60 1.4571 ASK42X2  
42 3,0 160 41,5 52,5 68,5 91 22 55 60 1.4571 ASK42X3  
42 4,0 160 41,5 52,5 68,5 91 22 55 60 1.4571 ASK42X4  
42 5,0 160 41,5 52,5 68,5 91 22 55 60 1.4571 ASK42X5  
10 1,0 242 24,5 32 44 58 10 19 22 1.4571 ASK10X1  
10 1,5 349 24,5 32 44 58 10 19 22 1.4571 ASK10X1.5  
10 2,0 447 24,5 32 44 58 10 19 22 1.4571 ASK10X2  
12 1,5 297 29,5 37 49 63 15 22 24 1.4571 ASK12X1.5  
12 2,0 383 29,5 37 49 63 15 22 24 1.4571 ASK12X2  
12 2,5 463 29,5 37 49 63 15 22 24 1.4571 ASK12X2.5  
14 2,0 334 35,5 43,5 55,5 75,5 16,5 24 27 1.4571 ASK14X2  
16 2,0 297 33 41,5 54,5 73,5 16,5 27 30 1.4571 ASK16X2  
16 2,5 362 33 41,5 54,5 73,5 16,5 27 30 1.4571 ASK16X2.5  
16 3,0 400 33 41,5 54,5 73,5 16,5 27 30 1.4571 ASK16X3  
20 2,0 242 36,5 47 62 83,5 19 32 36 1.4571 ASK20X2  
20 2,5 297 36,5 47 62 83,5 19 32 36 1.4571 ASK20X2.5  
20 3,0 349 36,5 47 62 83,5 19 32 36 1.4571 ASK20X3  
20 4,0 400 36,5 47 62 83,5 19 32 36 1.4571 ASK20X4  
25 3,0 286 39,5 51,5 67,5 92,5 19,5 41 46 1.4571 ASK25X3  
25 4,0 369 39,5 51,5 67,5 92,5 19,5 41 46 1.4571 ASK25X4  
25 5,0 400 39,5 51,5 67,5 92,5 19,5 41 46 1.4571 ASK25X5  
30 3,0 242 44,5 58 74 101,5 23 46 50 1.4571 ASK30X3  
30 4,0 314 44,5 58 74 101,5 23 46 50 1.4571 ASK30X4  
30 5,0 383 44,5 58 74 101,5 23 46 50 1.4571 ASK30X5  
30 6,0 400 44,5 58 74 101,5 23 46 50 1.4571 ASK30X6  
38 3,5 250 44 60 79 108 22 55 60 1.4571 ASK38X3.5  
38 4,0 250 44 60 79 108 22 55 60 1.4571 ASK38X4  
38 5,0 250 44 60 79 108 22 55 60 1.4571 ASK38X5  
38 6,0 250 44 60 79 108 41 55 60 1.4571 ASK38X6  

Verwandte Artikel

Nehmen Sie Kontakt auf

Ja, ich habe die Datenschutzerklärung zur Kenntnis genommen und bin damit einverstanden, dass die von mir angegebenen Daten elektronisch erhoben und gespeichert werden. Meine Daten werden dabei nur streng zweckgebunden zur Bearbeitung und Beantwortung meiner Anfrage genutzt.

Quality Made in Germany
ARMATUREN-ARNDT GMBH | © 2026 | Datenschutzerklärung | AGB | Impressum