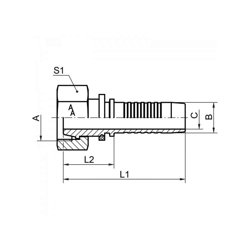
DKL: Pressnippel DKL, Dichtkegel mit 24° Konus, leichte Reihe, Dichtkopf metrisch
| A | B / mm | DN | L1 / mm | L2 / mm | S1 | C / mm | Material | Art.Nr. | |
|---|---|---|---|---|---|---|---|---|---|
| M14x1,5 | 6,7 | 6 | 55 | 25 | 17 | 3,9 | 1.4571 | 4150DN06 | |
| M12x1,5 | 6,7 | 6 | 49,5 | 19,5 | 14 | 3,9 | 1.4571 | 4150DN06M12 | |
| M16x1,5 | 6,7 | 6 | 56 | 26 | 19 | 3,9 | 1.4571 | 4150DN06M16 | |
| M16x1,5 | 8 | 8 | 56 | 26 | 19 | 5,4 | 1.4571 | 4150DN08 | |
| M14x1,5 | 8 | 8 | 49,8 | 19,8 | 17 | 5,4 | 1.4571 | 4150DN08M14 | |
| M18x1,5 | 9,6 | 10 | 60 | 26,7 | 22 | 6,5 | 1.4571 | 4150DN10 | |
| M16x1,5 | 9,6 | 10 | 53,3 | 22 | 19 | 6,5 | 1.4571 | 4150DN10M16 | |
| M22x1,5 | 12,8 | 12 | 62 | 26,7 | 27 | 9,5 | 1.4571 | 4150DN12 | |
| M18x1,5 | 12,8 | 12 | 58 | 22,7 | 22 | 9,5 | 1.4571 | 4150DN12M18 | |
| M26x1,5 | 16 | 16 | 67,5 | 29,2 | 32 | 12,6 | 1.4571 | 4150DN16 | |
| M30x2 | 19,1 | 20 | 78,7 | 32,9 | 36 | 14,8 | 1.4571 | 4150DN20 | |
| M36x2 | 25,9 | 25 | 89,7 | 34,7 | 41 | 20,0 | 1.4571 | 4150DN25 | |
| M45x2 | 32,5 | 32 | 100,7 | 40,9 | 50 | 26,0 | 1.4571 | 4150DN32 | |
| M52x2 | 38,9 | 40 | 98,5 | 31 | 60 | 31,0 | 1.4571 | 4150DN40 |


