Deutsch English

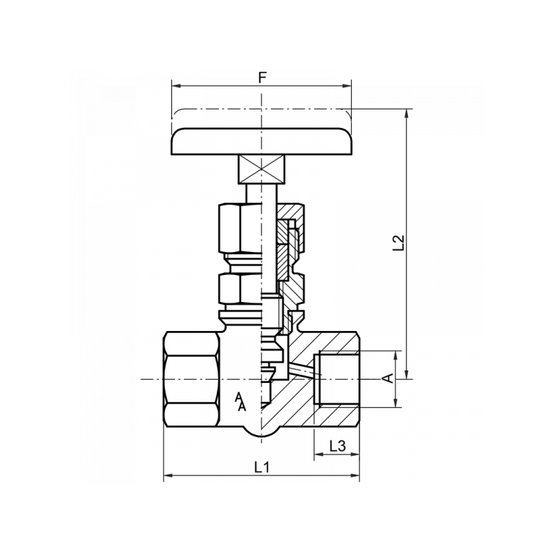
Fig. 108: Hochdruck-Absperrventil, beiderseits BSPP Innengewinde, Material: 1.0460, 1.4571, 1.4104, 1.7335

Hochdruck-Absperrventil, beiderseits BSPP Innengewinde, Material: 1.0460, 1.4571, 1.4104, 1.7335
Hochdruck-Absperrventil, beiderseits BSPP Innengewinde, Material: 1.0460, 1.4571, 1.4104, 1.7335
A DN PN / Bar L1 / mm L2 / mm L3 / mm F / mm Material Art.Nr. PDF
G1/4 5 640 -20°C / +400°C 80 115 15 70 1.0460 10108025  
G3/8 6 640 -20°C / +400°C 80 115 15 70 1.0460 10108035  
G1/2 8 640 -20°C / +400°C 80 115 17 70 1.0460 10108045  
G3/4 10 320 -20°C / +400°C 100 135 19 90 1.0460 10108065  
G1 15 320 -20°C / +400°C 130 165 21 100 1.0460 10108085  
G1 1/4 18 160 -20°C / +400°C 130 165 22 100 1.0460 10108105  
G1 1/2 24 160 -20°C / +400°C 160 220 24 150 1.0460 10108125  
G1/4 5 640 -20°C / +400°C 80 115 15 70 1.4104 10108024  
G3/8 6 640 -20°C / +400°C 80 115 15 70 1.4104 10108034  
G1/2 8 640 -20°C / +400°C 80 115 17 70 1.4104 10108044  
G3/4 10 320 -20°C / +400°C 100 135 19 90 1.4104 10108064  
G1 15 320 -20°C / +400°C 130 165 21 100 1.4104 10108084  
G1 1/4 18 160 -20°C / +400°C 130 165 22 100 1.4104 10108104  
G1/4 5 640 -20°C / +250°C 80 115 15 70 1.4571 10108023  
G3/8 6 640 -20°C / +250°C 80 115 15 70 1.4571 10108033  
G1/2 8 640 -20°C / +250°C 80 115 17 70 1.4571 10108043  
G3/4 10 320 -20°C / +250°C 100 135 19 90 1.4571 10108063  
G1 15 320 -20°C / +250°C 130 165 21 100 1.4571 10108083  
G1 1/4 18 160 -20°C / +250°C 130 165 22 100 1.4571 10108103  
G1 1/2 24 160 -20°C / +250°C 160 220 24 150 1.4571 10108123  
G1/4 5 640 -20°C / +540°C 80 115 15 70 1.7335 10108020  
G3/8 6 640 -20°C / +540°C 80 115 15 70 1.7335 10108030  
G1/2 8 640 -20°C / +540°C 80 115 17 70 1.7335 10108040  
G3/4 10 320 -20°C / +540°C 100 135 19 90 1.7335 10108060  
G1 15 320 -20°C / +540°C 130 165 21 100 1.7335 10108080  
G1 1/4 18 160 -20°C / +540°C 130 165 22 100 1.7335 10108100  
G1 1/2 24 160 -20°C / +540°C 160 220 24 150 1.7335 10108120  

Verwandte Artikel

Nehmen Sie Kontakt auf

Ja, ich habe die Datenschutzerklärung zur Kenntnis genommen und bin damit einverstanden, dass die von mir angegebenen Daten elektronisch erhoben und gespeichert werden. Meine Daten werden dabei nur streng zweckgebunden zur Bearbeitung und Beantwortung meiner Anfrage genutzt.

Quality Made in Germany
ARMATUREN-ARNDT GMBH | © 2025 | Datenschutzerklärung | AGB | Impressum