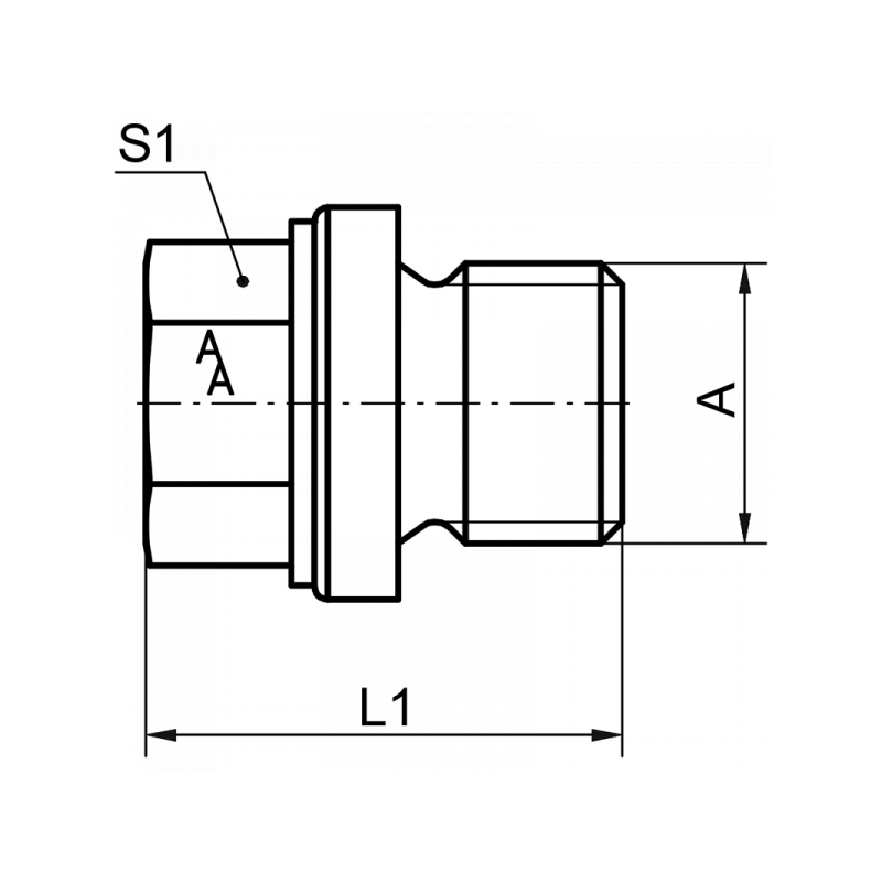
Fig. 5833:
| A | L1 / mm | S1 | Material | Art.Nr. | |
|---|---|---|---|---|---|
| G1/8 | 17 | 10 | 1.4571 | 583301 | |
| G1/4 | 21 | 13 | 1.4571 | 583302 | |
| G3/8 | 21 | 17 | 1.4571 | 583303 | |
| G1/2 | 26 | 19 | 1.4571 | 583304 | |
| G3/4 | 30 | 24 | 1.4571 | 583306 | |
| G1 | 32 | 27 | 1.4571 | 583308 | |
| G1 1/4 | 33 | 30 | 1.4571 | 583310 | |
| G1 1/2 | 33 | 30 | 1.4571 | 583312 | |
| G2 | 40 | 36 | 1.4571 | 583316 |


