Deutsch English

ROV-L/S: Verschlussschraube, leichte +schwere Reihe

Verschlussschraube, leichte +schwere Reihe
Verschlussschraube, leichte +schwere Reihe
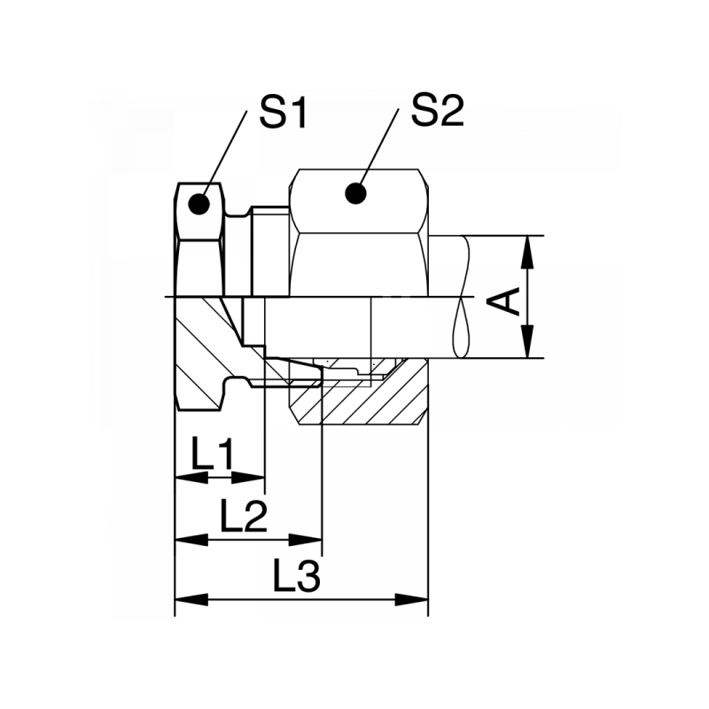
A PN / Bar L1 / mm L2 / mm L3 / mm S1 S2 Material Art.Nr. Stutzen PDF
06 315 7 14 24 12 14 1.4571 ROV06L  XROV06L  
06 315 7 14 24 12 14 1.4571 ROV06L  XROV06L  
08 315 8 15 25 14 17 1.4571 ROV08L  XROV08L  
08 315 8 15 25 14 17 1.4571 ROV08L  XROV08L  
10 315 9 16 27 17 19 1.4571 ROV10L  XROV10L  
10 315 9 16 27 17 19 1.4571 ROV10L  XROV10L  
12 315 10 17 28 19 22 1.4571 ROV12L  XROV12L  
12 315 10 17 28 19 22 1.4571 ROV12L  XROV12L  
15 315 11 18 29 24 27 1.4571 ROV15L  XROV15L  
15 315 11 18 29 24 27 1.4571 ROV15L  XROV15L  
18 315 11,5 19 31 27 32 1.4571 ROV18L  XROV18L  
18 315 11,5 19 31 27 32 1.4571 ROV18L  XROV18L  
22 160 13,5 21 33 32 36 1.4571 ROV22L  XROV22L  
22 160 13,5 21 33 32 36 1.4571 ROV22L  XROV22L  
28 160 14,5 22 36 41 41 1.4571 ROV28L  XROV28L  
28 160 14,5 22 36 41 41 1.4571 ROV28L  XROV28L  
35 160 14,5 25 41 46 50 1.4571 ROV35L  XROV35L  
35 160 14,5 25 41 46 50 1.4571 ROV35L  XROV35L  
42 160 16 27 43 55 60 1.4571 ROV42L  XROV42L  
42 160 16 27 43 55 60 1.4571 ROV42L  XROV42L  
06 630 11 18 28 14 17 1.4571 ROV06S  XROV06S  
06 630 11 18 28 14 17 1.4571 ROV06S  XROV06S  
08 630 13 20 30 17 19 1.4571 ROV08S  XROV08S  
08 630 13 20 30 17 19 1.4571 ROV08S  XROV08S  
10 630 12,5 20 32 19 22 1.4571 ROV10S  XROV10S  
10 630 12,5 20 32 19 22 1.4571 ROV10S  XROV10S  
12 630 14,5 22 34 22 24 1.4571 ROV12S  XROV12S  
12 630 14,5 22 34 22 24 1.4571 ROV12S  XROV12S  
14 630 16 24 36 24 27 1.4571 ROV14S  XROV14S  
14 630 16 24 36 24 27 1.4571 ROV14S  XROV14S  
16 400 15,5 24 37 27 30 1.4571 ROV16S  XROV16S  
16 400 15,5 24 37 27 30 1.4571 ROV16S  XROV16S  
20 400 17,5 28 43 32 36 1.4571 ROV20S  XROV20S  
20 400 17,5 28 43 32 36 1.4571 ROV20S  XROV20S  
25 400 20 32 48 41 46 1.4571 ROV25S  XROV25S  
25 400 20 32 48 41 46 1.4571 ROV25S  XROV25S  
30 400 20,5 34 50 46 50 1.4571 ROV30S  XROV30S  
30 400 20,5 34 50 46 50 1.4571 ROV30S  XROV30S  
38 250 23 39 58 55 60 1.4571 ROV38S  XROV38S  
38 250 23 39 58 55 60 1.4571 ROV38S  XROV38S  

Verwandte Artikel

Nehmen Sie Kontakt auf

Ja, ich habe die Datenschutzerklärung zur Kenntnis genommen und bin damit einverstanden, dass die von mir angegebenen Daten elektronisch erhoben und gespeichert werden. Meine Daten werden dabei nur streng zweckgebunden zur Bearbeitung und Beantwortung meiner Anfrage genutzt.

Quality Made in Germany
ARMATUREN-ARNDT GMBH | © 2026 | Datenschutzerklärung | AGB | Impressum