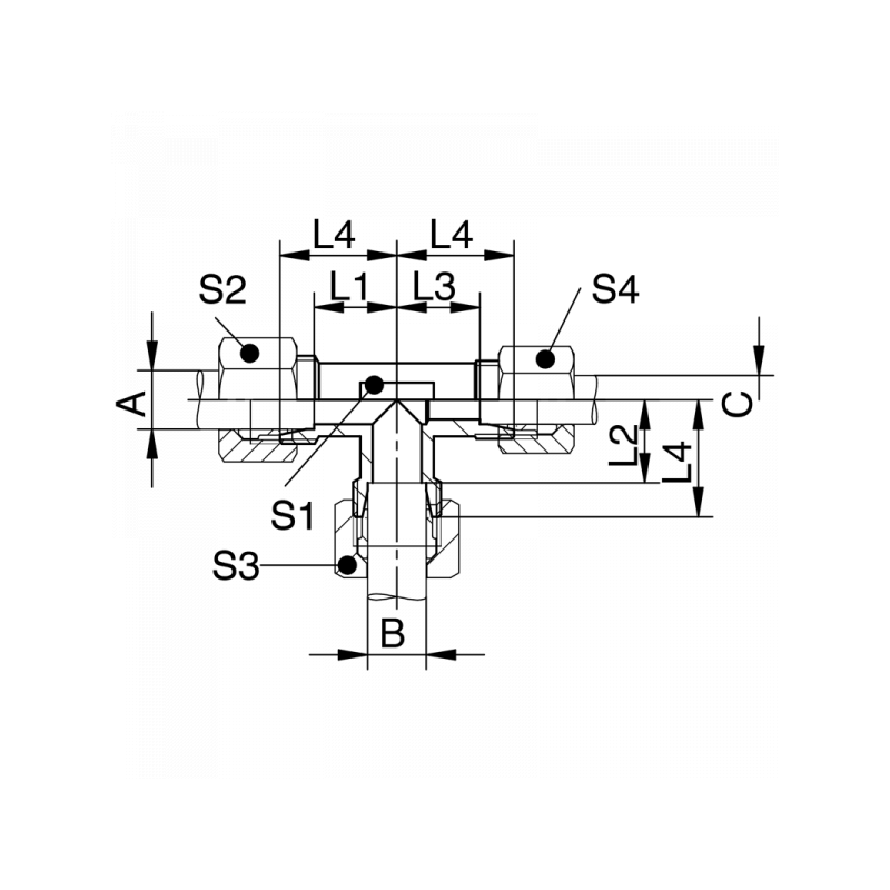
TR-S: T-Reduzierung, schwere Reihe
| A | B | C | PN / Bar | L1 / mm | L2 / mm | L3 / mm | L4 / mm | S1 | S2 | S3 | S4 | Material | Art.Nr. | Stutzen | |
|---|---|---|---|---|---|---|---|---|---|---|---|---|---|---|---|
| 10 | 12 | 12 | 630 | 21,5 | 21,5 | 21,5 | 29 | 17 | 22 | 24 | 24 | 1.4571 | TR101212S3 | XTR101212S3 | |
| 12 | 08 | 12 | 630 | 21,5 | 22 | 21,5 | 29 | 17 | 24 | 19 | 24 | 1.4571 | TR120812S3 | XTR120812S3 | |
| 12 | 10 | 12 | 630 | 21,5 | 21,5 | 21,5 | 29 | 17 | 24 | 22 | 24 | 1.4571 | TR121012S3 | XTR121012S3 | |
| 12 | 16 | 12 | 400 | 25,5 | 24,5 | 25,5 | 33 | 24 | 24 | 30 | 24 | 1.4571 | TR121612S3 | XTR121612S3 | |
| 14 | 10 | 14 | 630 | 22 | 22,5 | 22 | 30 | 19 | 27 | 22 | 27 | 1.4571 | TR141014S3 | XTR141014S3 | |
| 16 | 10 | 16 | 400 | 24,5 | 25,5 | 24,5 | 33 | 24 | 30 | 22 | 30 | 1.4571 | TR161016S3 | XTR161016S3 | |
| 16 | 12 | 16 | 400 | 24,5 | 25,5 | 24,5 | 33 | 24 | 30 | 24 | 30 | 1.4571 | TR161216S3 | XTR161216S3 | |
| 16 | 14 | 16 | 400 | 24,5 | 25 | 24,5 | 33 | 24 | 30 | 27 | 30 | 1.4571 | TR161416S3 | XTR161416S3 | |
| 16 | 16 | 25 | 400 | 33,5 | 33,5 | 30 | 42 | 36 | 30 | 30 | 46 | 1.4571 | TR161625S | XTR161625S | |
| 16 | 20 | 16 | 400 | 28,5 | 26,5 | 28,5 | 37 | 27 | 30 | 36 | 30 | 1.4571 | TR162016S3 | XTR162016S3 | |
| 16 | 25 | 16 | 400 | 33,5 | 30 | 33,5 | 42 | 36 | 30 | 46 | 30 | 1.4571 | TR162516S3 | XTR162516S3 | |
| 20 | 08 | 20 | 400 | 26,5 | 30 | 26,5 | 37 | 27 | 36 | 19 | 36 | 1.4571 | TR200820S3 | XTR200820S3 | |
| 20 | 12 | 20 | 400 | 26,5 | 29,5 | 26,5 | 37 | 27 | 36 | 24 | 36 | 1.4571 | TR201220S3 | XTR201220S3 | |
| 20 | 16 | 20 | 400 | 26,5 | 28,5 | 26,5 | 37 | 27 | 36 | 30 | 36 | 1.4571 | TR201620S3 | XTR201620S3 | |
| 20 | 25 | 20 | 400 | 31,5 | 30 | 31,5 | 42 | 36 | 36 | 46 | 36 | 1.4571 | TR202520S3 | XTR202520S3 | |
| 25 | 16 | 25 | 400 | 30 | 33,5 | 30 | 42 | 36 | 46 | 30 | 46 | 1.4571 | TR251625S3 | XTR251625S3 | |
| 25 | 20 | 25 | 400 | 30 | 31,5 | 30 | 42 | 36 | 46 | 36 | 46 | 1.4571 | TR252025S3 | XTR252025S3 | |
| 25 | 25 | 16 | 400 | 30 | 30 | 33,5 | 42 | 36 | 46 | 46 | 30 | 1.4571 | TR252516S3 | XTR252516S3 | |
| 30 | 16 | 30 | 400 | 35,5 | 40,5 | 35,5 | 49 | 41 | 50 | 30 | 50 | 1.4571 | TR301630S | XTR301630S | |
| 30 | 20 | 30 | 400 | 35,5 | 38,5 | 35,5 | 49 | 41 | 50 | 36 | 50 | 1.4571 | TR302030S | XTR302030S | |
| 30 | 25 | 25 | 400 | 35,5 | 37 | 37 | 49 | 41 | 50 | 46 | 46 | 1.4571 | TR302525S3 | XTR302525S3 | |
| 30 | 25 | 30 | 400 | 35,5 | 37 | 35,5 | 49 | 41 | 50 | 46 | 50 | 1.4571 | TR302530S | XTR302530S3 | |
| 38 | 20 | 38 | 250 | 41 | 36,5 | 41 | 57 | 50 | 60 | 36 | 60 | 1.4571 | TR382038S | XTR382038S | |
| 38 | 25 | 38 | 250 | 41 | 35 | 41 | 57 | 50 | 60 | 46 | 60 | 1.4571 | TR382538S | XTR382538S | |
| 38 | 30 | 38 | 250 | 41 | 33,5 | 41 | 57 | 50 | 60 | 50 | 60 | 1.4571 | TR383038S | XTR383038S | |
| 38 | 38 | 30 | 250 | 41 | 41 | 33,5 | 57 | 50 | 60 | 60 | 50 | 1.4571 | TR383830S | XTR383830S |


