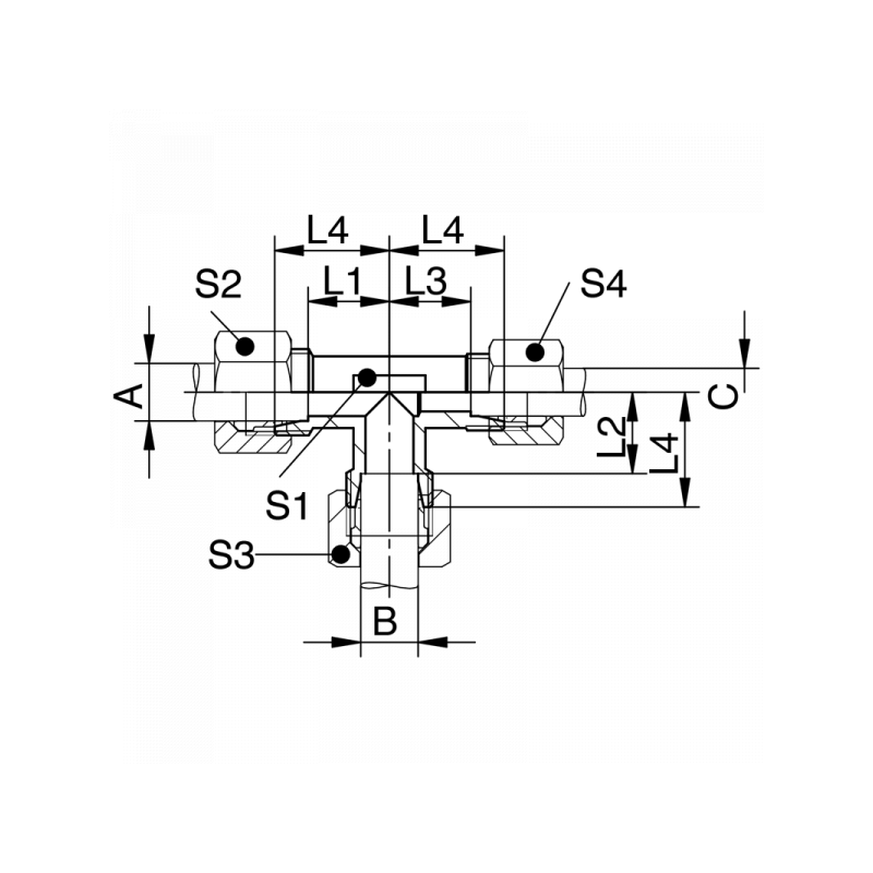
TR-L: T-Reduzierung, leichte Reihe
| A | B | C | PN / Bar | L1 / mm | L2 / mm | L3 / mm | L4 / mm | S1 | S2 | S3 | S4 | Material | Art.Nr. | Stutzen | |
|---|---|---|---|---|---|---|---|---|---|---|---|---|---|---|---|
| 06 | 10 | 06 | 315 | 15 | 15 | 15 | 22 | 14 | 14 | 19 | 14 | 1.4571 | TR061006L3 | XTR061006L3 | |
| 08 | 06 | 08 | 315 | 14 | 14 | 14 | 21 | 12 | 17 | 14 | 17 | 1.4571 | TR080608L3 | XTR080608L3 | |
| 08 | 08 | 12 | 315 | 17 | 17 | 17 | 24 | 17 | 17 | 17 | 22 | 1.4571 | TR080812L3 | XTR080812L3 | |
| 08 | 12 | 08 | 315 | 17 | 17 | 17 | 24 | 17 | 17 | 22 | 17 | 1.4571 | TR081208L3 | XTR081208L3 | |
| 10 | 06 | 06 | 315 | 15 | 15 | 15 | 22 | 14 | 19 | 14 | 14 | 1.4571 | TR100606L3 | XTR100606L3 | |
| 10 | 06 | 10 | 315 | 15 | 15 | 15 | 22 | 14 | 19 | 14 | 19 | 1.4571 | TR100610L3 | XTR100610L3 | |
| 10 | 08 | 10 | 315 | 15 | 15 | 15 | 22 | 14 | 19 | 17 | 19 | 1.4571 | TR100810L3 | XTR100810L3 | |
| 10 | 15 | 10 | 315 | 21 | 21 | 21 | 28 | 19 | 19 | 27 | 19 | 1.4571 | TR101510L3 | XTR101510L3 | |
| 12 | 06 | 12 | 315 | 17 | 17 | 17 | 24 | 17 | 22 | 14 | 22 | 1.4571 | TR120612L3 | XTR120612L3 | |
| 12 | 08 | 12 | 315 | 17 | 17 | 17 | 24 | 17 | 22 | 17 | 22 | 1.4571 | TR120812L3 | XTR120812L3 | |
| 12 | 10 | 10 | 315 | 17 | 17 | 17 | 24 | 17 | 22 | 19 | 19 | 1.4571 | TR121010L | XTR121010L | |
| 12 | 10 | 12 | 315 | 17 | 17 | 17 | 24 | 17 | 22 | 19 | 22 | 1.4571 | TR121012L3 | XTR121012L3 | |
| 12 | 12 | 10 | 315 | 17 | 17 | 17 | 24 | 17 | 22 | 22 | 19 | 1.4571 | TR121210L3 | XTR121210L3 | |
| 15 | 10 | 10 | 315 | 21 | 21 | 21 | 28 | 19 | 27 | 19 | 19 | 1.4571 | TR151010L | XTR151010L | |
| 15 | 10 | 15 | 315 | 21 | 21 | 21 | 28 | 19 | 27 | 19 | 27 | 1.4571 | TR151015L3 | XTR151015L3 | |
| 15 | 12 | 12 | 315 | 21 | 21 | 21 | 28 | 19 | 27 | 22 | 22 | 1.4571 | TR151212L3 | XTR151212L3 | |
| 15 | 12 | 15 | 315 | 21 | 21 | 21 | 28 | 19 | 27 | 22 | 27 | 1.4571 | TR151215L3 | XTR151215L3 | |
| 15 | 15 | 10 | 315 | 21 | 21 | 21 | 28 | 19 | 27 | 27 | 19 | 1.4571 | TR151510L3 | XTR151510L3 | |
| 18 | 10 | 18 | 315 | 23,5 | 24 | 23,5 | 31 | 24 | 32 | 19 | 32 | 1.4571 | TR181018L3 | XTR181018L3 | |
| 18 | 12 | 18 | 315 | 23,5 | 24 | 23,5 | 31 | 24 | 32 | 22 | 32 | 1.4571 | TR181218L3 | XTR181218L3 | |
| 18 | 15 | 18 | 315 | 23,5 | 24 | 23,5 | 31 | 24 | 32 | 27 | 32 | 1.4571 | TR181518L3 | XTR181518L3 | |
| 18 | 18 | 10 | 315 | 23,5 | 23,5 | 24 | 31 | 24 | 32 | 32 | 19 | 1.4571 | TR181810L3 | XTR181810L3 | |
| 18 | 18 | 12 | 315 | 23,5 | 23,5 | 24 | 31 | 24 | 32 | 32 | 22 | 1.4571 | TR181812L3 | XTR181812L3 | |
| 18 | 22 | 18 | 160 | 27,5 | 27,5 | 27,5 | 35 | 27 | 32 | 36 | 32 | 1.4571 | TR182218L3 | XTR182218L3 | |
| 22 | 12 | 22 | 160 | 27,5 | 28 | 27,5 | 35 | 27 | 36 | 22 | 36 | 1.4571 | TR221222L3 | XTR221222L3 | |
| 22 | 15 | 15 | 160 | 27,5 | 28 | 28 | 35 | 27 | 36 | 27 | 27 | 1.4571 | TR221515L3 | XTR221515L3 | |
| 22 | 15 | 22 | 160 | 27,5 | 28 | 27,5 | 35 | 27 | 36 | 27 | 36 | 1.4571 | TR221522L3 | XTR221522L3 | |
| 22 | 18 | 22 | 160 | 27,5 | 27,5 | 27,5 | 35 | 27 | 36 | 32 | 36 | 1.4571 | TR221822L3 | XTR221822L3 | |
| 22 | 22 | 18 | 160 | 27,5 | 27,5 | 27,5 | 35 | 27 | 36 | 36 | 32 | 1.4571 | TR222218L | XTR222218L | |
| 28 | 18 | 28 | 160 | 30,5 | 30,5 | 30,5 | 38 | 36 | 41 | 32 | 41 | 1.4571 | TR281828L3 | XTR281828L3 | |
| 28 | 22 | 28 | 160 | 30,5 | 30,5 | 30,5 | 38 | 36 | 41 | 36 | 41 | 1.4571 | TR282228L3 | XTR282228L3 | |
| 28 | 28 | 22 | 160 | 30,5 | 30,5 | 30,5 | 38 | 36 | 41 | 41 | 36 | 1.4571 | TR282822L3 | XTR282822L3 | |
| 28 | 35 | 28 | 160 | 36,5 | 33,5 | 36,5 | 44 | 41 | 41 | 50 | 41 | 1.4571 | TR283528L3 | XTR283528L3 | |
| 35 | 28 | 35 | 160 | 33,5 | 36,5 | 33,5 | 44 | 41 | 50 | 41 | 50 | 1.4571 | TR352835L3 | XTR352835L3 |


