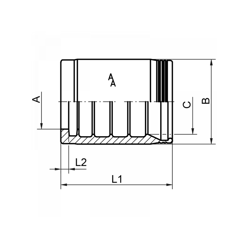
4030: Pressfassung 4030, für Schlauch EN 853-1ST (nur DN32) DIN 20022, EN 853-2ST, EN 856-4SP DIN 20023 für Außenschälung, EN 854-2TE und 3TE DIN 20021 für Nichtschälung
| A / mm | B / mm | DN | L1 / mm | L2 / mm | C / mm | Material | Art.Nr. | |
|---|---|---|---|---|---|---|---|---|
| 10,2 | 22 | 6 | 34 | 2,5 | 15,5 | 1.4571 | 4030DN06 | |
| 12,1 | 23 | 8 | 31 | 2,5 | 17,2 | 1.4571 | 4030DN08 | |
| 14,2 | 26 | 10 | 38 | 2,5 | 19,5 | 1.4571 | 4030DN10 | |
| 18,5 | 30 | 12 | 40 | 2,5 | 22,2 | 1.4571 | 4030DN12 | |
| 21,6 | 33,6 | 16 | 40 | 2,5 | 26,4 | 1.4571 | 4030DN16 | |
| 24,6 | 39 | 20 | 50 | 3 | 30,2 | 1.4571 | 4030DN20 | |
| 30,9 | 45,5 | 25 | 60 | 3,7 | 37,3 | 1.4571 | 4030DN25 | |
| 38,8 | 58 | 32 | 70 | 4 | 46,8 | 1.4571 | 4030DN32 | |
| 44,2 | 65 | 40 | 73 | 4,3 | 53,7 | 1.4571 | 4030DN40 | |
| 57,3 | 78 | 50 | 80 | 4,3 | 66,6 | 1.4571 | 4030DN50 |


