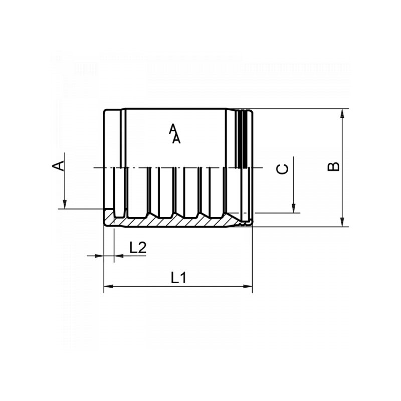
4020: Pressfassung 4020 (4030 nur DN32) für Schlauch nach EN 857-1SC / 2SC und EN 853-1ST DIN 20022 für Außenschälung
| A / mm | B / mm | DN | L1 / mm | L2 / mm | C / mm | Material | Art.Nr. | |
|---|---|---|---|---|---|---|---|---|
| 11,0 | 20 | 6 | 31 | 2,5 | 13,2 | 1.4571 | 4020DN06 | |
| 12,6 | 20 | 8 | 31 | 2,5 | 15,5 | 1.4571 | 4020DN08 | |
| 14,1 | 23,6 | 10 | 33 | 2,5 | 16,6 | 1.4571 | 4020DN10 | |
| 17,6 | 27 | 12 | 35 | 2,5 | 19,5 | 1.4571 | 4020DN12 | |
| 21,6 | 31 | 16 | 38 | 2,5 | 23,0 | 1.4571 | 4020DN16 | |
| 24,5 | 35 | 20 | 44 | 3 | 26,8 | 1.4571 | 4020DN20 | |
| 30,4 | 42 | 25 | 52 | 3,7 | 34,1 | 1.4571 | 4020DN25 | |
| 44,4 | 62 | 40 | 68 | 4,3 | 51,3 | 1.4571 | 4020DN40 | |
| 56,7 | 75 | 50 | 80 | 4,3 | 64,0 | 1.4571 | 4020DN50 |


