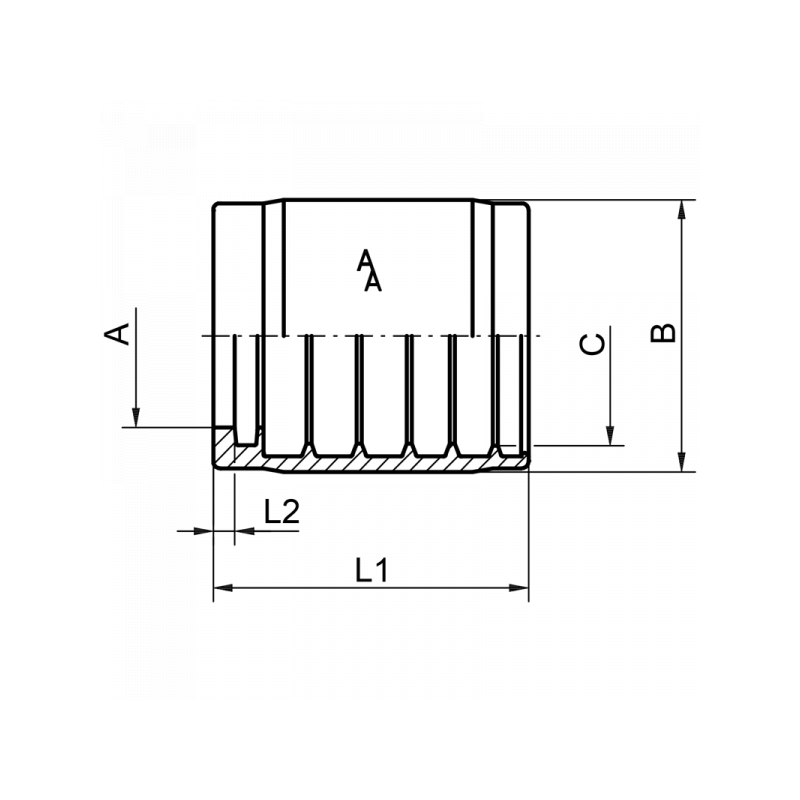
4010: Pressfassung 4010 für Schlauch nach EN 853-1SN / 2SN DIN 20022 und EN 857-2SC für Nichtschälung
| A / mm | B / mm | DN | L1 / mm | L2 / mm | C / mm | Material | Art.Nr. | |
|---|---|---|---|---|---|---|---|---|
| 11,3 | 21 | 6 | 31 | 2,5 | 15,7 | 1.4571 | 4010DN06 | |
| 12,7 | 22,5 | 8 | 31 | 2,5 | 17,3 | 1.4571 | 4010DN08 | |
| 15,0 | 26,5 | 10 | 33 | 2,5 | 19,8 | 1.4571 | 4010DN10 | |
| 18,3 | 30 | 12 | 36 | 2,5 | 23,0 | 1.4571 | 4010DN12 | |
| 22,0 | 34 | 16 | 38 | 2,5 | 26,2 | 1.4571 | 4010DN16 | |
| 25,0 | 38 | 20 | 44 | 3 | 30,1 | 1.4571 | 4010DN20 | |
| 32,3 | 47 | 25 | 52 | 3,7 | 38,8 | 1.4571 | 4010DN25 | |
| 40,0 | 57 | 32 | 60 | 4 | 49,3 | 1.4571 | 4010DN32 | |
| 46,6 | 65 | 40 | 73 | 4,3 | 55,8 | 1.4571 | 4010DN40 | |
| 58,9 | 78 | 50 | 80 | 4,3 | 68,5 | 1.4571 | 4010DN50 |


