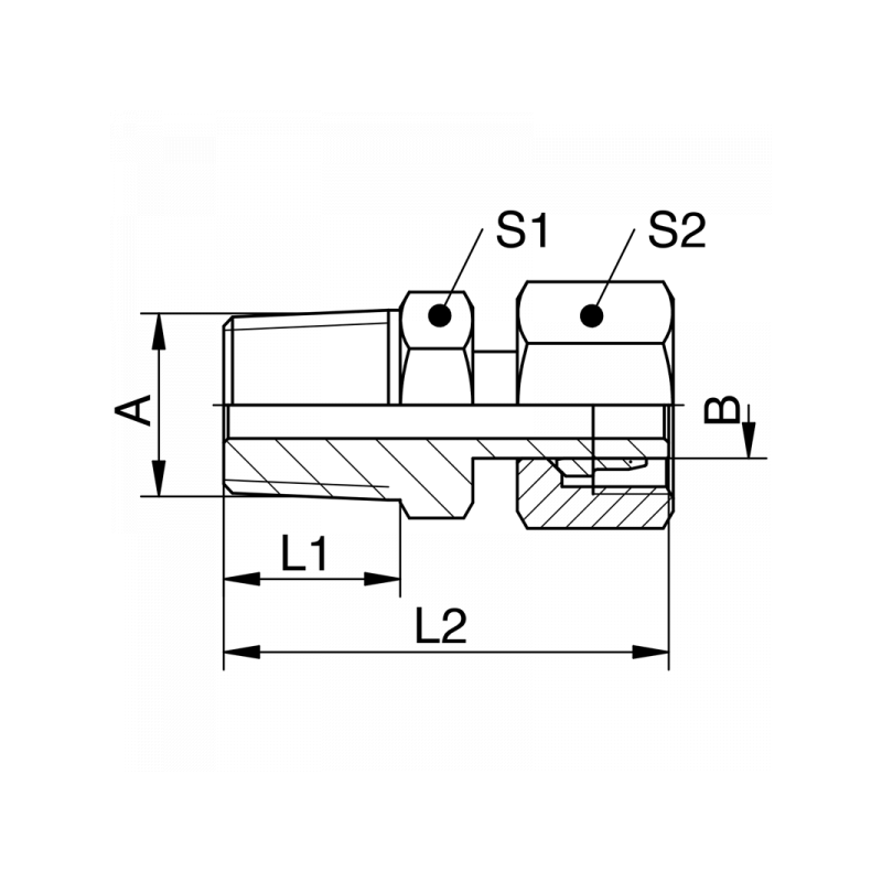
EVGE-LR/SR-NPT: Einstellbare gerade Verschraubung mit Schaft, Einschraubgewinde NPT, leichte + schwere Reihe
| A | B | PN / Bar | L1 / mm | L2 / mm | S1 | S2 | Material | Art.Nr. | |
|---|---|---|---|---|---|---|---|---|---|
| 1/8NPT | 06 | 315 | 10 | 39 | 14 | 14 | 1.4571 | EVGE06LN01 | |
| 1/4NPT | 08 | 315 | 15 | 40 | 14 | 17 | 1.4571 | EVGE08LN02 | |
| 1/4NPT | 10 | 315 | 15 | 42 | 17 | 19 | 1.4571 | EVGE10LN02 | |
| 3/8NPT | 12 | 315 | 15 | 47 | 19 | 22 | 1.4571 | EVGE12LN03 | |
| 1/2NPT | 15 | 315 | 20 | 50 | 22 | 27 | 1.4571 | EVGE15LN04 | |
| 1/2NPT | 18 | 315 | 20 | 50 | 22 | 32 | 1.4571 | EVGE18LN04 | |
| 3/4NPT | 22 | 160 | 20 | 52 | 30 | 36 | 1.4571 | EVGE22LN06 | |
| 1NPT | 28 | 160 | 25 | 60 | 36 | 41 | 1.4571 | EVGE28LN08 | |
| 1 1/4NPT | 35 | 160 | 26 | 62 | 46 | 50 | 1.4571 | EVGE35LN10 | |
| 1 1/2NPT | 42 | 160 | 26 | 66 | 50 | 60 | 1.4571 | EVGE42LN12 | |
| 1/4NPT | 06 | 630 | 15 | 41 | 17 | 17 | 1.4571 | EVGE06SN02 | |
| 1/4NPT | 08 | 630 | 15 | 42 | 19 | 19 | 1.4571 | EVGE08SN02 | |
| 3/8NPT | 10 | 630 | 15 | 45 | 19 | 22 | 1.4571 | EVGE10SN03 | |
| 3/8NPT | 12 | 630 | 15 | 45 | 19 | 24 | 1.4571 | EVGE12SN03 | |
| 1/2NPT | 14 | 630 | 20 | 52 | 22 | 27 | 1.4571 | EVGE14SN04 | |
| 1/2NPT | 16 | 400 | 20 | 52 | 22 | 30 | 1.4571 | EVGE16SN04 | |
| 3/4NPT | 20 | 400 | 20 | 61 | 30 | 36 | 1.4571 | EVGE20SN06 | |
| 1NPT | 25 | 400 | 25 | 70 | 36 | 46 | 1.4571 | EVGE25SN08 | |
| 1 1/4NPT | 30 | 400 | 26 | 71 | 46 | 50 | 1.4571 | EVGE30SN10 | |
| 1 1/2NPT | 38 | 250 | 26 | 78 | 50 | 60 | 1.4571 | EVGE38SN12 |


