Deutsch English

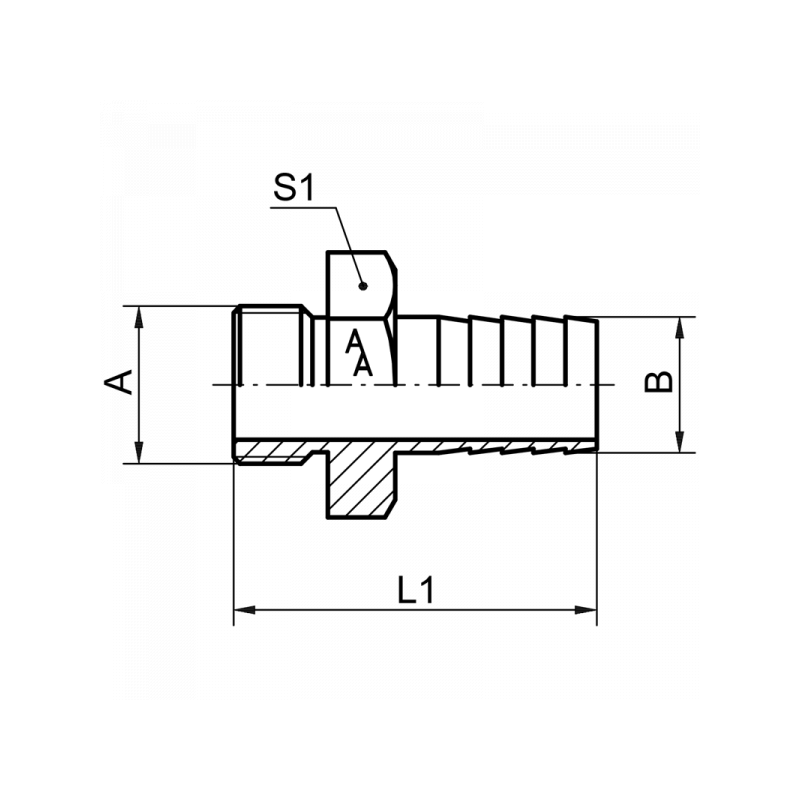
Fig. 5850: Schlauchtülle mit BSPP Gewinde

Schlauchtülle mit BSPP Gewinde
Schlauchtülle mit BSPP Gewinde
A B / mm L1 / mm S1 Material Art.Nr. PDF
G1/8 4 32 12 1.4571 585001043  
G1/8 6 36 14 1.4571 585001063  
G1/8 9 40 14 1.4571 585001093  
G1/8 10 40 14 1.4571 585001103  
G1/8 11 40 14 1.4571 585001113  
G1/4 4 35 17 1.4571 585002043  
G1/4 6 40 17 1.4571 585002063  
G1/4 9 40 17 1.4571 585002093  
G1/4 10 40 17 1.4571 585002103  
G1/4 11 45 17 1.4571 585002113  
G1/4 13 45 17 1.4571 585002133  
G3/8 6 40 22 1.4571 585003063  
G3/8 8 45 22 1.4571 585003083  
G3/8 9 45 22 1.4571 585003093  
G3/8 10 45 22 1.4571 585003103  
G3/8 11 45 22 1.4571 585003113  
G3/8 13 45 22 1.4571 585003133  
G3/8 15 45 22 1.4571 585003153  
G3/8 16 45 22 1.4571 585003163  
G3/8 19 48 22 1.4571 585003193  
G1/2 6 45 27 1.4571 585004063  
G1/2 7 45 27 1.4571 585004073  
G1/2 8 45 27 1.4571 585004083  
G1/2 9 45 27 1.4571 585004093  
G1/2 10 45 27 1.4571 585004103  
G1/2 11 50 27 1.4571 585004113  
G1/2 13 50 27 1.4571 585004133  
G1/2 15 50 27 1.4571 585004153  
G1/2 16 50 27 1.4571 585004163  
G1/2 19 50 27 1.4571 585004193  
G1/2 25 50 27 1.4571 585004253  
G3/4 9 50 32 1.4571 585006093  
G3/4 13 55 32 1.4571 585006133  
G3/4 16 55 32 1.4571 585006163  
G3/4 19 55 32 1.4571 585006193  
G3/4 25 55 32 1.4571 585006253  
G1 13 60 36 1.4571 585008133  
G1 16 60 36 1.4571 585008163  
G1 19 60 36 1.4571 585008193  
G1 25 60 36 1.4571 585008253  
G1 32 60 36 1.4571 585008323  
G1 1/4 19 75 46 1.4571 585010193  
G1 1/4 25 75 46 1.4571 585010253  
G1 1/4 30 75 46 1.4571 585010303  
G1 1/4 32 75 46 1.4571 585010323  
G1 1/4 38 75 46 1.4571 585010383  
G1 1/4 40 75 46 1.4571 585010403  
G1 1/2 25 80 55 1.4571 585012253  
G1 1/2 32 80 55 1.4571 585012323  
G1 1/2 38 80 55 1.4571 585012383  
G1 1/2 40 80 55 1.4571 585012403  
G1 1/2 50 80 55 1.4571 585012503  
G2 40 85 65 1.4571 585016403  
G2 50 85 65 1.4571 585016503  
G2 60 85 65 1.4571 585016603  

Verwandte Artikel

Nehmen Sie Kontakt auf

Ja, ich habe die Datenschutzerklärung zur Kenntnis genommen und bin damit einverstanden, dass die von mir angegebenen Daten elektronisch erhoben und gespeichert werden. Meine Daten werden dabei nur streng zweckgebunden zur Bearbeitung und Beantwortung meiner Anfrage genutzt.

Quality Made in Germany
ARMATUREN-ARNDT GMBH | © 2026 | Datenschutzerklärung | AGB | Impressum