Deutsch English

Fig. 84:

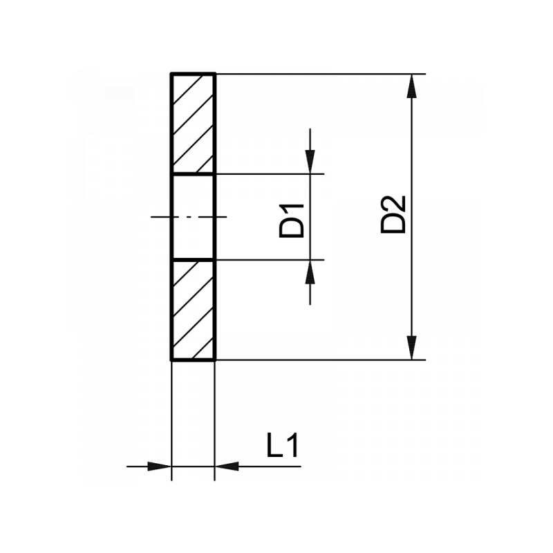
DIN A L1 / mm D1 D2 Material Art.Nr. PDF
DIN 16258 G1/4 1,5 5,2 9 1.4571 10084023  
DIN 16258 G1/2 2 6,5 17 1.4571 10084043  
DIN 16258 G1/4 1,5 5,2 9,5 Centellen 1008402IT  
DIN 16258 G1/2 2 6,2 17,5 Centellen 1008404IT  
DIN 16258 G1/2 2 6,2 17,5 Graphit 1008404G  
DIN 16258 G1/4 1,5 5,2 9,5 Kupfer 1008402CU  
DIN 16258 G1/2 2 6,2 17,5 Kupfer 1008404CU  
DIN 16258 G1/4 1 5,2 8 PTFE 1008402T  
DIN 16258 G1/2 1,5 6,2 17,5 PTFE 1008404T  
DIN 16258 G1/4 1,5 5,2 9,5 Stahl 10084022  
DIN 16258 G1/2 2 6,2 17,5 Stahl 10084042  

Related articles

Contact us

Yes, i read the Privacy policy and I agree that the data I provide will be collected and stored electronically. My data is used only strictly earmarked for processing and answering my request.

Quality Made in Germany
ARMATUREN-ARNDT GMBH | © 2026 | Privacy Policy | Terms and conditions | Imprint