Deutsch English

EVL-L/S:

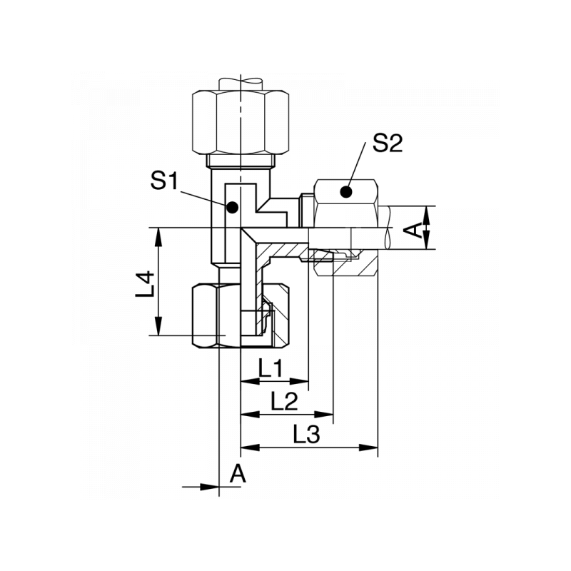
A PN / Bar L1 / mm L2 / mm L3 / mm L4 / mm S1 S2 Material Art.Nr. Stutzen PDF
06 315 12 19 29 26 12 14 1.4571 EVL06L  EVL06LO  
08 315 14 21 31 27,5 12 17 1.4571 EVL08L  EVL08LO  
10 315 15 22 33 29 14 19 1.4571 EVL10L  EVL10LO  
12 315 17 24 35 30,5 17 22 1.4571 EVL12L  EVL12LO  
15 315 21 28 39 32,5 19 27 1.4571 EVL15L  EVL15LO  
18 315 23,5 31 43 35,5 24 32 1.4571 EVL18L  EVL18LO  
22 160 27,5 35 47 38,5 27 36 1.4571 EVL22L  EVL22LO  
28 160 30,5 38 52 43,5 36 41 1.4571 EVL28L  EVL28LO  
35 160 34,5 45 61 54,5 41 50 1.4571 EVL35L  EVL35LO  
42 160 40 51 67 60 50 60 1.4571 EVL42L  EVL42LO  
06 630 16 23 33 27 12 17 1.4571 EVL06S  EVL06SO  
08 630 17 24 34 29 14 19 1.4571 EVL08S  EVL08SO  
10 630 17,5 25 37 31 17 22 1.4571 EVL10S  EVL10SO  
12 630 21,5 29 41 33 17 24 1.4571 EVL12S  EVL12SO  
14 630 22 30 42 35 19 27 1.4571 EVL14S  EVL14SO  
16 400 24,5 33 46 37,5 24 30 1.4571 EVL16S  EVL16SO  
20 400 26,5 37 52 44,5 27 36 1.4571 EVL20S  EVL20SO  
25 400 30 42 58 50,5 36 46 1.4571 EVL25S  EVL25SO  
30 400 35,5 49 65 56,5 41 50 1.4571 EVL30S  EVL30SO  
38 250 41 57 76 66,5 50 60 1.4571 EVL38S  EVL38SO  

Related articles

Contact us

Yes, i read the Privacy policy and I agree that the data I provide will be collected and stored electronically. My data is used only strictly earmarked for processing and answering my request.

Quality Made in Germany
ARMATUREN-ARNDT GMBH | © 2025 | Privacy Policy | Terms and conditions | Imprint