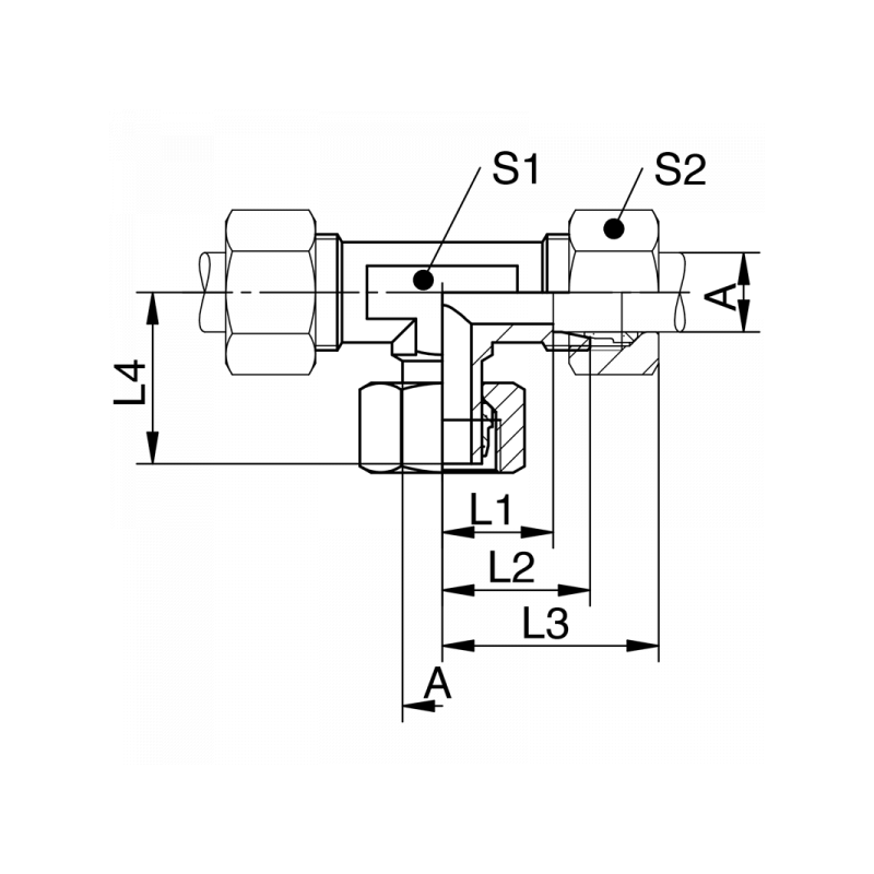
EVT-L/S:
| A | PN / Bar | L1 / mm | L2 / mm | L3 / mm | L4 / mm | S1 | S2 | Material | Art.Nr. | Stutzen | |
|---|---|---|---|---|---|---|---|---|---|---|---|
| 06 | 315 | 12 | 19 | 29 | 26 | 12 | 14 | 1.4571 | EVT06L | EVT06LO | |
| 08 | 315 | 14 | 21 | 31 | 27,5 | 12 | 17 | 1.4571 | EVT08L | EVT08LO | |
| 10 | 315 | 15 | 22 | 33 | 29 | 14 | 19 | 1.4571 | EVT10L | EVT10LO | |
| 12 | 315 | 17 | 24 | 35 | 30,5 | 17 | 22 | 1.4571 | EVT12L | EVT12LO | |
| 15 | 315 | 21 | 28 | 39 | 32,5 | 19 | 27 | 1.4571 | EVT15L | EVT15LO | |
| 18 | 315 | 23,5 | 31 | 43 | 35,5 | 24 | 32 | 1.4571 | EVT18L | EVT18LO | |
| 22 | 160 | 27,5 | 35 | 47 | 38,5 | 27 | 36 | 1.4571 | EVT22L | EVT22LO | |
| 28 | 160 | 30,5 | 38 | 52 | 43,5 | 36 | 41 | 1.4571 | EVT28L | EVT28LO | |
| 35 | 160 | 34,5 | 45 | 61 | 54,5 | 41 | 50 | 1.4571 | EVT35L | EVT35LO | |
| 42 | 160 | 40 | 51 | 67 | 60 | 50 | 60 | 1.4571 | EVT42L | EVT42LO | |
| 06 | 630 | 16 | 23 | 33 | 27 | 12 | 17 | 1.4571 | EVT06S | EVT06SO | |
| 08 | 630 | 17 | 24 | 34 | 29 | 14 | 19 | 1.4571 | EVT08S | EVT08SO | |
| 10 | 630 | 17,5 | 25 | 37 | 31 | 17 | 22 | 1.4571 | EVT10S | EVT10SO | |
| 12 | 630 | 21,5 | 29 | 41 | 33 | 17 | 24 | 1.4571 | EVT12S | EVT12SO | |
| 14 | 630 | 22 | 30 | 42 | 35 | 19 | 27 | 1.4571 | EVT14S | EVT14SO | |
| 16 | 400 | 24,5 | 33 | 46 | 37,5 | 24 | 30 | 1.4571 | EVT16S | EVT16SO | |
| 20 | 400 | 26,5 | 37 | 52 | 44,5 | 27 | 36 | 1.4571 | EVT20S | EVT20SO | |
| 25 | 400 | 30 | 42 | 58 | 50,5 | 36 | 46 | 1.4571 | EVT25S | EVT25SO | |
| 30 | 400 | 35,5 | 49 | 65 | 56,5 | 41 | 50 | 1.4571 | EVT30S | EVT30SO | |
| 38 | 250 | 41 | 57 | 76 | 66,5 | 50 | 60 | 1.4571 | EVT38S | EVT38SO |


